电脑桌面
添加小米粒文库到电脑桌面
安装后可以在桌面快捷访问

基础接地线埋设隐蔽工程签证单VIP免费

基础接地线埋设隐蔽工程签证单_第1页
1/34
基础接地线埋设隐蔽工程签证单_第2页
2/34
基础接地线埋设隐蔽工程签证单_第3页
3/34
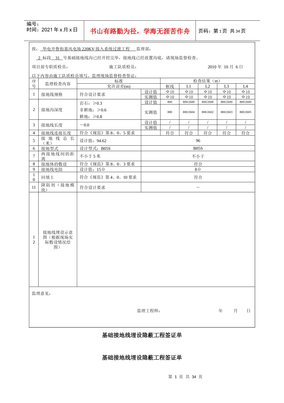
第1页共34页编号:时间:2021年x月x日书山有路勤为径,学海无涯苦作舟页码:第1页共34页基础接地线埋设隐蔽工程签证单基础接地线埋设隐蔽工程签证单致:华电开鲁街基风电场220KV接入系统过渡工程监理部:2标段30号基础接地线沟已经开挖完毕,接地线已经放置沟底,请现场监督检查。项目部专职质检员:施工队质检员:2010年10月10日以下内容由施工队质检员填写,监理现场监督检查签证:序号监理检查内容标准检查结果(m)允许误差(m)框线L1L2L3L41接地线规格符合设计要求设计值Ф10Ф10Ф10Ф10Ф10实测值Ф10Ф10Ф10Ф10Ф102接地沟深度岩石:≥0.3非耕地:≥0.6耕地:≥0.8设计值800800/2600800/2600800/2600800/2200实测值860800/2603800/2604800/2603800/22053接地线长度-0.0设计值/////实测值/////4接地线连接长度符合《规范》第8、0、5要求符合符合符合符合符合5接地线总长(米)设计值:94.62956接地型式设计型式:B05SB05S7两接地线间的距离不小于5米不小于8接地体的敷设符合《规范》第8、0、3要求符合9接地线电阻设计值:15Ω7Ω10回填土符合《规范》第4、0、10要求符合11降阻剂(接地模块)符合设计要求-12接地线埋设示意图(根据现场实际敷设情况绘图)监理意见:监理工程师:年月日致:华电开鲁街基风电场220KV接入系统过渡工程监理部:2标段31号基础接地线沟已经开挖完毕,接地线已经放置沟底,请现场监督检查。项目部专职质检员:施工队质检员:2010年10月6日以下内容由施工队质检员填写,监理现场监督检查签证:序号监理检查内容标准检查结果(m)允许误差(m)框线L1L2L3L41接地线规格符合设计要求设计值Ф10Ф10Ф10Ф10Ф10实测值Ф10Ф10Ф10Ф10Ф102接地沟深度岩石:≥0.3非耕地:≥0.6耕地:≥0.8设计值800800/2600800/2600800/2600800/2600实测值880800/2604800/2602800/2603800/26053接地线长度-0.0设计值/////实测值/////4接地线连接长度符合《规范》第8、0、5要求符合符合符合符合符合5接地线总长(米)设计值:94.62966接地型式设计型式:B05SB05S7两接地线间的距离不小于5米不小于8接地体的敷设符合《规范》第8、0、3要求符合9接地线电阻设计值:15Ω8Ω10回填土符合《规范》第4、0、10要求符合11降阻剂(接地模块)符合设计要求-12接地线埋设示意图(根据现场实际敷设情况绘图)监理意见:监理工程师:年月日第2页共34页第1页共34页编号:时间:2021年x月x日书山有路勤为径,学海无涯苦作舟页码:第2页共34页基础接地线埋设隐蔽工程签证单基础接地线埋设隐蔽工程签证单致:华电开鲁街基风电场220KV接入系统过渡工程监理部:2标段34号基础接地线沟已经开挖完毕,接地线已经放置沟底,请现场监督检查。项目部专职质检员:施工队质检员:2010年10月5日以下内容由施工队质检员填写,监理现场监督检查签证:序号监理检查内容标准检查结果(m)允许误差(m)框线L1L2L3L41接地线规格符合设计要求设计值Ф10Ф10Ф10Ф10Ф10实测值Ф10Ф10Ф10Ф10Ф102接地沟深度岩石:≥0.3非耕地:≥0.6耕地:≥0.8设计值800800/2600800/2600800/2600800/2600实测值810800/2603800/2601800/2604800/26023接地线长度-0.0设计值/////实测值/////4接地线连接长度符合《规范》第8、0、5要求符合符合符合符合符合5接地线总长(米)设计值:94.62966接地型式设计型式:B05SB05S7两接地线间的距离不小于5米不小于8接地体的敷设符合《规范》第8、0、3要求符合9接地线电阻设计值:15Ω11Ω10回填土符合《规范》第4、0、10要求符合11降阻剂(接地模块)符合设计要求-12接地线埋设示意图(根据现场实际敷设情况绘图)监理意见:监理工程师:年月日第3页共34页第2页共34页编号:时间:2021年x月x日书山有路勤为径,学海无涯苦作舟页码:第3页共34页基础接地线埋设隐蔽工程签证单致:华电开鲁街基风电场220KV接入系统过渡工程监理部:2标段36号基础接地线沟已经开挖完毕,接地线已经放置沟底,请现场监督检查。项目部专职质检员:施工队质检员:2010年10月5日以下内容由施工队质检员填写,监理现场监督检查签证:序号监理检查内容标准检查结果(m)允许误差(m)框线L1L2L3L41接地线规...

1、当您付费下载文档后,您只拥有了使用权限,并不意味着购买了版权,文档只能用于自身使用,不得用于其他商业用途(如 [转卖]进行直接盈利或[编辑后售卖]进行间接盈利)。
2、本站所有内容均由合作方或网友上传,本站不对文档的完整性、权威性及其观点立场正确性做任何保证或承诺!文档内容仅供研究参考,付费前请自行鉴别。
3、如文档内容存在违规,或者侵犯商业秘密、侵犯著作权等,请点击“违规举报”。

碎片内容

基础接地线埋设隐蔽工程签证单

确认删除?
VIP
微信客服
  • 扫码咨询
会员Q群
  • 会员专属群点击这里加入QQ群
客服邮箱
回到顶部