精品文档---下载后可任意编辑PWMPFM 双模式同步整流升压转换器的分析与设计的开题报告一、选题背景在工业、通信、军事等领域,直流电源广...
变电站及升压站合同
精品文档---下载后可任意编辑MC34063 升压使用时,一般设定是输入输出电压的绝对值之和要低于 40V,否则工作不稳定。 但是实际却看到很...
精品文档---下载后可任意编辑精品文档---下载后可任意编辑220kV 升压站运行规程第 1 章 220kV 沟通系统1.1 一般运行规定不经调度同意...
精品文档---下载后可任意编辑工程220kV 升压站工程土建专业监 理 实 施 细 则内蒙古康远工程建设监理有限责任公司内蒙古华电二连浩特...
施工组织设计投标人:日期:201 6 年 02 月 17 日 目 录一、工程概况及特点1.1 工程概况项目名称:新疆华电达坂城新能源有限公司...
精品文档---下载后可任意编辑IPOS 大功率直流升压电源模块的讨论的开题报告1. 讨论背景和意义随着电子产品的普及以及电力系统的进展,大...
迎 检 汇 报 材 料 华能湖南苏宝顶风电场150MW工程升压站建筑工程 土建工程质量监督检查自检报告 湖南省第五工程有限公司华能湖南...
boost 升压电路工作原理 boost 升压电路是一种开关直流升压电路,它可以是输出电压比输入电压高。 基本电路图见图一: 假定那个开关(...
西北电力建设第一工程有限公司 Northw est Pow er Construction No.1 Engineering Co.,Ltd 华润新能源亭湖 48MW 风电项目 升压...
宁夏固原天润三营一期 49.5MW 风电工程 (11okV 升压站电气安装) 绿色施工方案 北京天源科创风电技术有限责任公司 二 O 一三年九...
第一章 工程概况、编制说明 1.1 工程概况 1.1.1 工程简介 序号 项 目 内 容 1 工程名称 国华盐池青山风电项目 110KV 升压站...
升压站构架安装专项施工方案报审表 表号:B-1 工程名称:巴音杭盖风电一期工程 编号:BH3000-840-FA-011 致:吉林省隆翔工程建设监理有...
施工强制性条文执行计划报审表 工程名称:江西上犹仙鹅塘48MW 风电场工程 编号:TJ-JXHW-004-003 致:吉林省隆翔工程建设监理有限责任...
1 220KV 升 压 站 施 工 工 序 一 、 进 场 前 准 备 1、 施 工 图 预 算 , 施 工 总 投 资 与 施 工 成...
1 / 136 升压站 强条执行记录表目录 2 / 136 目录 一、附属用房强条 二、35kV 预制舱及小电阻接地装置基础强条 三、SVG 设备...
B标段:集控中心(包括升压站、房屋建筑等)2变配电工程2.1主变压器基础工程9.5m*8.0m座1机械施工土方m3810含挖、填、运地基处理 2:8灰土垫...
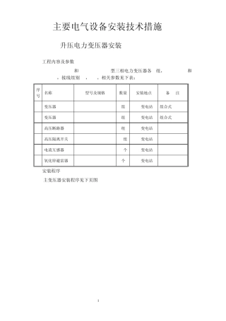
1 主要电气设备安装技术措施 1 35KV升压电力变压器安装 1.1工程内容及参数 S11-6300/31.5和S11-3150/31.5型三相电力变压器各1组,Sn=6...
升压站土建规范标准清单 2010年升压站土建工程技术、规范标准清单 1)统一规范 《建筑工程施工质量验收统一标准》 GB50300-2001 《屋...
升 压 站 土 建 工 程 施 工 方 案 110kv 升 压 站 主 要 包 括 升 压 站 站 内 综 合 楼 、 配 电 楼 、...

