20万吨/年环己酮装置施工组织设计中国核建福建申远新材料有限公司20万吨/年环己酮装置项目版次:1环己酮装置施工组织设计审核:校对:编制...
变电站自动化装置项目可行性研究报告(立项+批地+贷款)编制单位:北京中投信德国际信息咨询有限公司编制时间:二〇二四二〇二四年十一月咨...
DMP-300F型中小型水电站触摸式机组自动化屏(GEFanucPLC+Pro-face或Weintek触摸屏)编程使用说明书文件编号:__________________版本号:______...
中嘉华宸能源有限公司自动化安全控制系统技术报告书目录1、生产工艺及自动化安全控制系统..................................................
PLC-075系列电力线数据传输装置及其在配网自动化中的应用国网南京自动化研究院南京南瑞集团公司目录1.PLC-075系列中压载波机.................
建设项目环境影响报告表项目名称:年产250套消防设备及控制装置项目建设单位(盖章):固安德美机电设备有限公司编制日期2010年11月《建设项目...
2016-2022年中国汽车电子控制装置行业市场分析及发展战略咨询报告中国产业研究报告网什么是行业研究报告行业研究是通过深入研究某一行业发...
机械设计课程设计说明书带式输送机传动装置设计院系:机械工程学院专业:机械设计制造及其自动化班级:机电BG111组长:高全锋组员:李博、李雪...
第1页共17页编号:时间:2021年x月x日书山有路勤为径,学海无涯苦作舟页码:第1页共17页延迟焦化装置已发展成为中国石化第一位的重油深度加...
辽宁华锦化工(集团)乙烯原料工程工艺联合装置120万吨/年延迟焦化装置2万立卷帘型干式气柜事故应急预案与响应方案吉林工程建设监理公司盘锦...
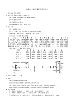
1船舶动力装置课程设计说明书1、设计内容:船舶轴系设计2、设计要求:依据给定参数,完成如下工作:①确定中间轴、螺旋浆轴以及推力轴的材...
导航仪器及装置项目可行性研究报告(立项+批地+贷款)编制单位:北京中投信德国际信息咨询有限公司编制时间:二〇二四二〇二四年十一月咨询...
小型撬装式LNG液化装置什么是行业研究报告行业研究是通过深入研究某一行业发展动态、规模结构、竞争格局以及综合经济信息等,为企业自身发...
商业计划书项目名称自动跟踪太阳能光伏发电装置的开发与推广项目单位兰州大学阳光能源创业团队地址兰州大学信息科学与工程学院电话0931-843...
一、总那么1、工程概况工程名称:大型化工结合装置建立工程。建立:。工程建立地点:。工程质量要求:到达施工验收优良。2、监理工作的目的...
1-2DJK01电源控制屏电源控制屏主要为实验提供各种电源,如三相交流电源、直流励磁电源等;同时为实验提供所需的仪表,如直流电压、电流表,...
更多资料请访问.(.....)更多企业学院:...../Shop/《中小企业管理全能版》183套讲座+89700份资料...../Shop/40.shtml《总经理、高层管理...
工业与民用电力装置的接地设计规范第一章总则第1.0.1条电力装置接地设计必须认真执行国家的技术经济政策,并应做到:保障人身与设备安全、...
带遥控的停车加热装置和空调电气线路图(从2000年车型起)带遥控的停车加热装置和空调电气线路图如图2-2-112~图2-2-117所示。熔丝支架:(a)...
室内蒸汽道及附属装置安装工艺〔110—1998〕11范围本工艺适用于民用及一般工业建筑蒸汽压力不大于0.8MPa道及附属装置安装工程。22施工准备2...

