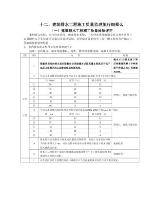
十二、建筑排水工程施工质量监理施行细那么〔一〕建筑排水工程施工质量检验评定本细那么包括:室内排水系统、雨水排水系统、中水排水系统的...
目录第一章XX大道道路施工组织设计..................................................6第1节编制依据、范围及原则.........................
ZZ市长风文化商务区一期道排工程施工组织设计第一章编制说明根据长风文化商务区市府东路、市府北街工程的招标文件和设计图纸的所列要求,我...
建筑排水硬聚氯乙烯管道工程作业指导书1.适用范围本作业指导书适用于本公司承建的一般工业与民用建筑的室内生活排水、雨水及有酸碱性的排...
施工组织设计第一章施工程序总体设想一、编制依据及原则(一)、编制依据1、平安县圣煜华庭小区排水工程。2、圣煜华庭小区室外排水工程图纸...
苏州河水系截污治污工程和田等地区排水管道工程SSJ4.3标施工组织设计编制单位:上海山阳工程建设有限公司编制人:技术负责人:编制时间:一...
目录第一章总体概述71编制说明----------------------------------------------------71.1编制依据--------------------------------------...
目录第一章工程概况......................................................................................道路工程概况.................
长沙火车南站周边区域(磁浮站)排水整治工程临时泵站钢板桩支护专项施工方案编制单位:编制单位:长沙春华建筑工程有限公司长沙春华建筑工程...
半山园排水改造工程施工方案编制人:审核人:编制日期:南京兴河市政工程有限公司目录一、工程概况二、编制依据三、主要工作内容四、工程施...
区长在环境保护与排水工作会发言同志们:今天召开这次全区环境保护与排水工作会议,主要是贯彻落实国家、省、市环境保护工作会议精神,总结...
课程设计任务书与指导书《水污染控制工程》课程设计班级环工1301姓名苏启卉学号131702116指导教师陈广元开题日期2016.1.8扬州大学环境科学...
目录大道道路施工组织设计第一节编制依据、范围及原则1.1编制依据一、某国家高新区工业园期市政工程施工图。二、建设部颁发的现行设计规范...
施工组织设计目录一、编制依据.........................................................................................................
目录1.编制说明.......................................................................................................................
监理备案表工程名称:星海湾金融商务区排水工程暗渠施工监理工程编:BFZB-2021-JL-02负责人签字黄其波编制人签字姜苹岗位编BFZB-010序审查...
工程名称交底部位工程编号日期交底内容:室内铸铁排水管道安装本章适用于民用及一般工业建筑的室内铸铁排水管道安装。1.材料要求1.1铸铁排...
工程施工组织设计§施工组织设计编制说明§编制指导思想承蒙排水工程有限公司邀请我公司参加工程Ⅱ标段的投标。我们将以“为建设单位提供最...
目录一、施工方案与技术措施二、质量管理体系与措施三、工程进度计划与措施及网络图四、安全管理、文明、环境保护体系与措施五、成本控制措...
施工技术交底记录施表工程名称分部工程排水工程施工分项工程测量放线交底内容:1、业主、监理现场交桩复测无误前方可使用在使用的过程中经...

