下载后可任意编辑一、工程概况1、工程概况湾底疏港路高架工程施工四标段自桩号 K3+402.345 起至K4+177.345 止,主线桥共 7 联包括:29...
下载后可任意编辑郑徐铁路客运专线河南段 ZXZQ04 标段桥梁工程连续梁施工作业指导书编制:审核:批准:2024 年 月 日发布2024 年 月...
下载后可任意编辑本页为作品封面,下载后可以自由编辑删除,欢迎下载!!! 精 品文档1【精品 word 文档、可以自由编辑!】兰新第二双...
下载后可任意编辑连续梁监控施工作业指导书一、监控目的施工控制的目的是确保结构的安全和稳定,使成桥后的轴线和桥面线形达到设计要求,并...
下载后可任意编辑连续梁挂篮施工作业指导书一、目的为了法律规范挂篮施工程序,严格控制施工过程,切实保证挂篮施工安全可靠,特制定挂篮施...
新 建 铁 路 成 都 东 客 站 相 关 工 程K328+560 跨 绕 城 高 速 立 交 特 大 桥架 梁 施 工 方 案( 初 稿...
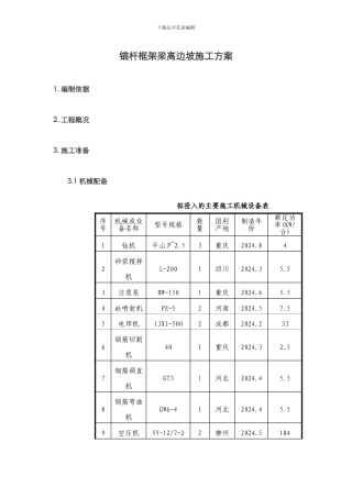
下载后可任意编辑锚杆框架梁高边坡施工方案1. 编制依据2. 工程概况3. 施工准备3.1 机械配备拟投入的主要施工机械设备表序号机械或设备...
下载后可任意编辑盖梁施工方案(一)编制依据:(1)、S238 常付公路沁阳至孟州段改建工程 NO.4 合同段招标文件。(2)、交通部颁布的有...
下载后可任意编辑 1 工程概况1.1*******公司 2×350MW 机组工程采纳空冷塔,每台发电机组配 1 座空冷塔。空冷塔布置在主厂房南侧,水...
下载后可任意编辑施工组织方案一 、编制说明1、编制目的本施工组织设计系南京中北地产湖西街破除基坑支护梁的拆除的总体构思和部署 ,对...
百勺洋大桥墩台桩基、系梁施工方案百勺洋大桥桩基、系梁施工方案下载后可任意编辑 1、工程概况1.1、工程部位永武高速公路永安至武平 A3 ...
下载后可任意编辑现浇连续梁施工方案 根据施工现场的实际情况及设计方案,钢筋混凝土连续梁采纳就地搭设满堂支架现浇的方法进行施工。其主...
培训教学文件资料培训班名称:现浇梁施工安全教育培训会议 培 训 地 点 : 项目部会议室 培训人数: 35 人 培训内容: 《现浇梁...
毕业设计(论文)论文题目: 浅谈匝道桥的施工工艺与质量控制措施 学 院: 交通技术学院 专 业: 道路桥梁工程技术学生姓名: 李再...
仅供参考 [整理 ] 第 1 页 共 9 页安全管理文书架桥机架梁施工安全技术规定日期: __________________单位: __________________...
下载后可任意编辑xx 大桥连续刚构梁施工方案第一部分 工程概况1、工程简介 1.1 结构型式 xx 大桥是渝怀铁路三跨乌江的第一跨,桥长 ...
下载后可任意编辑涪陵乌江大桥连续刚构梁施工方案一、工程概况1、工程简介 1.1 结构型式 涪陵乌江大桥是渝怀铁路三跨乌江的第一跨,桥长...
下载后可任意编辑浅谈 48+3×80+48 悬浇连续梁施工工艺[摘要]:结合工程实例介绍预应力悬浇连续梁的现浇施工工艺,全面总结了从现浇支架...
下载后可任意编辑目 录一、 编制依据及原则.......................................................................51. 编制依据.......
下载后可任意编辑汽车吊架设铁路 T 梁施工方案一、编制依据1. 批准的桥梁施工图文件。2.《铁路工程施工安全技术规程》TB10401.1—2024.3...

