气动输送系统设计计算气力输送是借助空气或气体在管道内流动来输送干燥的散状固体粒子或颗粒物料的输送方法,在水产养殖生产中应用气力输送...
矿用无极绳调速机械绞车设计选型计算山东科技大学机电研究所邹城市广信科技开发有限责任公司1一、巷道基本参数:要求最大运输距离按 950m...
室内旋转钢楼梯计算书一、设计概况1. 本工程为室内旋转钢楼梯结构,钢梯高度为 5.5 米,两跑。2. 梯柱截面:焊接管 200X6.0; 梯梁截面...
施工现场用电负荷计算一.现场勘察业主提供的电源由 10KV 架空线路接入点在工地南侧,距施工现场约束 20 米,在此处拟安装一台的 S11-...
施工升降机计算本计算书主要依据《施工升降机》(GB/T 10054-2005)、《施工升降机安全规则》(GB10055-2007)、《建筑地基基础设计规范》...
AERSCREEN项目名称:坤游金属委托单位:项目生成日期2018-12-26结果1 大气环境影响评价工作等级的确定依据《环境影响评价技术导则-大气环...
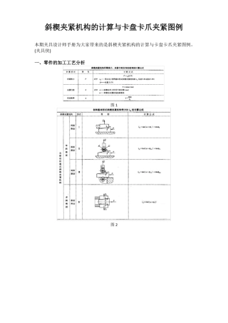
斜楔夹紧机构的计算与卡盘卡爪夹紧图例本期夹具设计师手册为大家带来的是斜楔夹紧机构的计算与卡盘卡爪夹紧图例。(夹具侠)一、零件的加工工...
斜管沉淀池设计方案1.二层池改建说明二沉池设在生物处理构筑物的后面,用于沉淀去除活性污泥或腐殖污泥取消 MBR 膜池,增加三个二次沉淀...
斜屋面施工计算方法(图文)一、斜屋面的测量放线1、在斜屋面结构的模板工程开始施工之前,要求在楼面板上进行控制线、墙柱定位线、墙柱 3...
精品文档1 管道总传热系数管道总传热系数是热油管道设计和运行管理中的重要参数。在热油管道稳态运行方案的工艺计算中,温降和压降的计算...
精品文档1.某正常固结土层厚2.0m,其下为不可压缩层,平均自重应力pcz 100kPa ;压缩试验数据见表,建筑物平均附加应力 p0 200k...
数学与计算科学学院各专业培养方案一、培养目标培养德育、智育、体育和美育全面发展,具有坚实数学理论基础和计算能力,综合素质高的优秀本...
西 南 交 通 大 学数值计算课程上机作业组 号第 1 组组员学号班级任课教师 2017 年 12 月 10 日西南交通大学数值计算课程上...
工程一:室内热水供暖工程施工模块三:散热器施工安装单元 2散热器的计算1-3-2-1 散热器面积及片数的计算方法1.计算散热器的散热面积供暖...
《如何提高学生计算能力》教研活动计划一、研究主题:如何提高学生的计算能力。二、参加对象:中高年组数学老师三、指导思想:《数学课程标...
土方计算软件的选择在现代大型土石方工程中采用简单原始的手工加减乘除运算无论是精度还是效率已无法满足要求,使用软件进行电算处理是最理...
20 以内的不退位减法口算练习题 1) 17-5= 2) 14-0= 3) 17-3= 4) 15-1= 5) 14-0= 81) 15-2= 82) 15-1= 83) 16-0= 6) 13-...
姓名:日期:分数:85-77=39+27=55+42=80-53=99-48=94+15=53+1=79+65=39-9=88-35=24+9=61-8=67-9=92-13=45-1=30+62=31-23=70-57=41+85=43+2...
一年级竖式计算练习题(已修改,可直接打印)
一年级竖式计算练习题 77-46= 65+26= 79+19= 56-26= 58+27= 84-27= 4+27= 93+23= 69-39= 77-76= 61-38= 79-16= 36+27= 87-27...

