下载后可任意编辑血气分析仪项目投资分析及可行性报告下载后可任意编辑目录序言...........................................................
下载后可任意编辑药敏分析仪项目可行性分析报告下载后可任意编辑目录序言.................................................................
下载后可任意编辑药敏分析仪项目投资分析及可行性报告下载后可任意编辑目录序言...........................................................
下载后可任意编辑红外线汽车尾气分析仪项目可行性讨论报告下载后可任意编辑目录序言.......................................................
下载后可任意编辑红外线汽车尾气分析仪项目可行性分析报告下载后可任意编辑目录概论.......................................................
下载后可任意编辑红外线气体分析仪项目投资分析及可行性报告下载后可任意编辑目录前言.....................................................
下载后可任意编辑碳硫分析仪项目投资分析及可行性报告下载后可任意编辑目录概论...........................................................
下载后可任意编辑烟气分析仪项目可行性讨论报告下载后可任意编辑目录序言.................................................................
下载后可任意编辑气体分析仪项目可行性讨论报告下载后可任意编辑目录前言.................................................................
下载后可任意编辑气体分析仪项目投资分析及可行性报告下载后可任意编辑目录概论...........................................................
下载后可任意编辑气体分析仪项目可行性分析报告下载后可任意编辑目录前言.................................................................
下载后可任意编辑工业用氧分析仪项目可行性讨论报告下载后可任意编辑目录序言.............................................................
下载后可任意编辑工业用氧分析仪项目可行性分析报告下载后可任意编辑目录概论.............................................................
下载后可任意编辑MPEG 码流分析仪项目投资分析及可行性报告下载后可任意编辑目录前言.....................................................
下载后可任意编辑MPEG 码流分析仪项目可行性讨论报告下载后可任意编辑目录概论...........................................................
逻辑分析仪使用教程声明 : 本文来自http://www.amobbs.com/thread-4232738-1-1.html另外,将 68013制作逻辑分析仪的原理说明简单整理了...
1 2020 年 4 月 19 日逻辑分析仪UsbeeAXPro中文说明书文档仅供参考,不当之处,请联系改正。2 2020 年 4 月 19 日USBEE AX示...
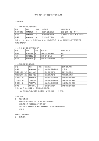
近红外分析仪操作注意事项1 备件部分1.1 分光计中需要更换的备件名称编码数量性质描述推荐更换周期卤素灯套装K9428EG 1 近红外分析仪...
迈瑞BS-480全自动生化分析仪标准操作规程1 BS-480全自动生化分析仪标准操作规程(开/关机程序)1.1 开机1.1.1 依次打开总电源、 UPS电...
1 血液分析仪及临床应用天津医科大学 检验系李秀第一章血液分析 仪的检测原理血液分析仪( hematology analyzer, HA), 是目前临床...

