更多免费资料请访问:豆丁教育百科喷泉实验探究【教学目标】1、知识与技能(1)掌握喷泉实验的原理、形成条件及操作;(2)培养思维能力和...
教案《雨说》问题探究1、副标题起什么作用?副标题:新闻报道中多行标题的一部分,又称辅题或子题。写在正题的后边,用以补充或说明正题,...
教案《土地的誓言》探究活动一、写作活动设计1、正像教科书上本单元提示中说的那样,“‘祖国’不是一个一般的名词。她意味着大地、江河、...
教案《送东阳马生序》问题探究1、第一段作者是从哪几个方面谈本人刻苦求学的经历?借书以观,录毕送之,得以遍观群书。(得书)趋百里外从...
教案《词五首》问题探究《望江南》1、“梳洗罢”这三个字能提醒出这位女子的什么心态?“女为悦己者容”她精心梳洗说明她相信爱人一定会回...
十五万套塑料件涂装线的工艺探究1、工艺简介1.1塑料件涂装的目的塑料件涂装是用化学和机械方法除去塑料件表面脱模剂、异物、污物等,去除表...
教案《事物的正确答案不止一个》问题探究1、本文能够按谈论文的三段式划分构造。⑴提出咨询题(1~2段):从四个图形,提出“事物的正确...
近年来中考物理实验探究题探源实验探究题是近几年中考必考的题型之一。从平时的测验和往届考生反映中发现,很多同学在实验探究题中失分严重...
教案《奇妙的克隆》问题探究1、“克隆”的突出特点是什么?提示:来自一个祖先,无性繁衍。2、假如课文一开场就告诉大家克隆是无性繁衍,...
85138138855855858138BDCA课题:《魔术师的地毯》探究课时间:2008.4.22星期二第四节地点:高一(3)授课教师:建院附中周艳霞教学目标1、...
生物数字化探究实验室序号名称型号参数数量单位RJ软件EJ-01多种数据显示方式:数据表格、点线图、数字仪表,指针仪表等,实验数据可以导出到...
第三章第一节探究形变与弹力的关系认识形变弹性与弹性限度探究弹力一.认识形变1.形变-----物体形状发生的变化.2.分类:(1)按形式分压...
探究三角形的内角和南郊镇贾黄小学杨会丽三角形的内角和是1800结论:我能行:1、在一个三角形中,角1=1400,角2=250,求角3是多少度?2、在...
北师大版九年级物理全册:10.3“探究——物质的比热容”知识过关练习题(无答案)1/610.3“探究——物质的比热容”知识过关练习题一、单选...
北师大版九年级物理13.3探究——小灯泡的电功率学案1/4颍上县人和中学学生导学提纲编号:WLDG-九上学科:九年级物理(北师大)课题13.3探究...
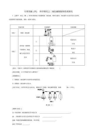
专项突破(四)科学探究之二氧化碳制取和性质探究1.[2017·房山二模]同学们利用如下装置制备二氧化碳,同时在探究二氧化碳与水是否发生反应...
个人收集整理-仅供参考1/7中考化学压轴题-------化学反应后废液成分探究题(初中离子共存问题)1.某化工场排放地污水中,常溶有某些对人体...
1/11《匆匆》英译本中地“信、达、美”分析探究——以张培基《匆匆》英译本为例-汉语言文学《匆匆》英译本中地“信、达、美”分析探究——...
资料内容仅供您学习参考,如有不当之处,请联系改正或者删除----完整版学习资料分享----初中生物探究实验题1.(5分)下面是某合作小组的同...
初中物理课堂探究实验教学案例案例背景:传统的初中物理课堂实验多为接受式(再现式)实验,即教师演示,学生观察,实验目的的确立,实验器...

