江苏省土木建筑学会建筑机械专业委员会2100年学术年会论文集参考文献【l】《混凝土结构设计规范》GB50010-2002;【2】《建筑抗震设计规范》...
1工程概况1.1工程概述珠海机场高速A2标鸡啼门特大桥361#墩~371#台,设计桩径1.5m,设计桩深20m左右。本施工区位于狮群山山坡地段,根据工...
中国建筑第二工程局有限公司CHINACONSTRUCTIONSECONDENGINEERINGBUREAUSCO.LTD.长沙开福万达广场项目C区支护人工挖孔桩专项方案1中国建筑第...
钢筋分部分项施工技术交底记录工程名称:中电投远达环保工程有限公司烟气脱硫综合大厦工程施工单位:重庆市万州建筑工程总公司分部分项名称:...
广大铁路站前一标段人工挖孔桩施工方案1中铁八局集团广大铁路项目部目录1编制依据及原则...................................................
个人收集整理-仅供参考1/2人工挖孔桩质量技术交底卡.施工前准备施工前应按建设单位移交的场地标高做好测量记录,对场地邻近的建筑物、道路...
目录一、工程概况二、监理工作依据三、监理措施附件:建设工程有限空间危险作业审批表人工挖孔桩工程安全监理实施细则第2页人工挖孔桩施工...
《人工挖孔桩水磨钻施工方案》Xxxxxxxxxxxxxxx人工挖孔水磨钻施工方案编制:审核:审批:编制单位:xx有限公司Xx项目经理部编制时间:2015...
1人工挖孔桩流砂和涌水处理技术要求在流砂和涌水的地层开挖人工挖孔桩时极易造成坍孔,再加之孔内抽水,会导致水流砂涌,使井下孔壁造成坍...
人工挖孔桩桩基首件工程施工技术方案编制:审核:批准:编制时间:二零一七年七月一、编制依据(1)施工图纸;(2)合同文件;(3)标准管理指...
1人工挖孔桩作业人员安全知识考试题考试时间:90分钟题号一二总分评分人得分一、单项选择题(66分每空3分)1、我国安全生产方针是(B)。A、...
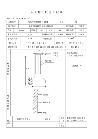
人工挖孔桩施工记录质控(建)表4.1.6.4-11工程名称尤溪闽中豪庭楼1-3#楼桩号1#施工单位福建省闽鑫建设工程有限公司地面标高117.2孔径Ф80...
人工挖孔桩施工监理记录表工程名称:承包单位:参数一览表桩号设计桩径D=d=MM设计桩顶标高M钢筋笼长度M施工周期理论砼方量M3实际砼方量M3充...
人工挖孔桩施工工艺及质量标准1.1适用范围人工挖孔灌注桩适用于工业及民用建筑中桩直径800㎜以上无地下水或地下水较少的粘土、粉质粘土、含...
个人收集整理-仅供参考1/2安全技术交底书说明:本交底一式三份,各责任人明确相关事项并签字后使用,工程部归档一份,交底人一份,接底人一...
技术交底记录工程名称贵州红阳场机械(集团)公司航品厂房工程施工单位六盘水市红果经济开发区金果建筑有限公司作业班组施工部位基础工作内...
人工挖孔桩安全专项施工方案编制单位:编制:日期:人工挖孔桩安全专项方案2目录一、编制依据⋯⋯⋯⋯⋯⋯⋯⋯⋯⋯⋯⋯⋯⋯⋯⋯⋯⋯⋯⋯⋯⋯...
重庆.万科高九路项目2号地块人工挖孔灌注桩基础专项施工方案编制单位:重庆万泰建设(集团)有限公司编制人:审核人:批准人:编制日期:20...
广西建筑科学研究设计院工程建设监理公司北仑河国际商贸城A-3、A-5地块项目1标段工程人工挖孔桩(墩)监理细则编制:审批:广西建筑科学研究...
个人收集整理-仅供参考1/2分项工程安全技术交底记录安分项工程名称人工挖孔桩部位数量负责部门作业内容人工挖孔桩施工期限年月日-年月日交...

