下载后可任意编辑施工现场“七成多、八成少,九成就能当领导”的话,其实颇有点自嘲的意思。干了几年施工,还是很有些体会,当是抛砖引玉吧...
下载后可任意编辑东方太阳城四期清雅苑 17#--23#楼及地下车库编制单位:石家庄建工集团有限公司编 制 人: 审 核 人:审 批 人:编...
下载后可任意编辑建筑施工承插型盘扣式脚手架 主要构配件一、盘扣节点应由焊接于立杆上的连接盘、水平杆杆端扣接头和斜杆杆端扣接头组成。...
下载后可任意编辑建筑施工扬尘控制措施落实情况现场检查记录表工程项目名称: 负责人 施工单位名称: 施工场所地址: 占地面积: 建筑...
下载后可任意编辑建筑施工扣件式钢管脚手架搭设与拆除的安全技术要点随着城市建设的进展,建筑物的不断升高。外防护采纳扣件式钢管脚手架的...
下载后可任意编辑建筑施工扣件式钢管脚手架专项方案编制与审查讲座云南省建设监理协会二○一二年七月十九日1下载后可任意编辑交 流 资 ...
下载后可任意编辑9-7 钢筋安装9-7-1 钢筋现场绑扎9-7-1-1 准备工作1.核对成品钢筋的钢号、直径、形状、尺寸和数量等是否与料单料牌相符...
下载后可任意编辑14-2-8 运输车辆14-2-8-1 概述结构吊装工程中的构件运输和履带式起重机的中距离转移,均需用运输车辆来完成。起重机转移...
下载后可任意编辑建筑施工手册 使用前请在电脑中安装 WORD 和 AcroReader(PDF 阅读器)软件 建筑施工手册第四版出版说明《建筑施工...
下载后可任意编辑14-2-7 桅杆式起重机14-2-7-1 概述桅杆式起重机是在独脚拔杆下端装上一根可以回转和起伏的吊杆而成(图14-57)。起重量...
下载后可任意编辑建筑施工手册系列之起重设备与混凝土结构吊装工程 14-2-5 独脚拔杆_.txt 为什么我们在讲故事的时候总要加上从前?开了...
下载后可任意编辑建筑施工手册系列之 施工组织设计 附录 II 超高层建筑施工组织设计实例.txt 两个人吵架,先说对不起的人,并不是认输...
下载后可任意编辑建筑施工手册 第四版目录 第一册1 施工常用数据1-1 常用符号和代号 1 2 2 3 5 8 8 9 10 10 13 14 15 15...
下载后可任意编辑建筑施工手册第四版第一册目录表 本文由 02096323 贡献 doc 文档可能在 WAP 端浏览体验不佳。建议您优先选择 TXT...
下载后可任意编辑建筑施工手册第四版出版说明《建筑施工手册》自 1980 年出版问世,1988 年出版了第二版,1997 年出版了第三版。由于近...
下载后可任意编辑建筑施工手册(第四版)目录第一册1 施工常用数据1-1 常用符号和代号1 1-1-1 常用字母1 1-1-2 常用符号2 1-1-2-1 数...
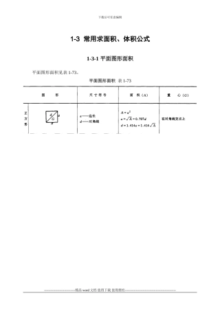
下载后可任意编辑1-3 常用求面积、体积公式1-3-1 平面图形面积平面图形面积见表 1-73。平面图形面积 表 1-73------------------------...
37 电梯安装工程37.1 电 梯 的 分 类 、 基 本 构 成 及 安 装 要 求狭义的电梯是服务于建筑物内若干特定的楼层,在垂直方...
本页为作品封面,下载后可以自由编辑删除,欢迎下载!!! 精 品文档1【精品 word 文档、可以自由编辑!】建筑施工手册(第四版)下载...
下载后可任意编辑 本文由 02096323 贡献 doc 文档可能在 WAP 端浏览体验不佳。建议您优先选择 TXT,或下载源文件到本机查看。 建...

