悬挑工字钢附墙反拉钢丝绳脚手架拆除安全技术交底一、安全管理1、所有参加施工人员必须戴好安全帽,系好帽带,并正确合理使用好个人劳保用...
塔吊附墙安装安全技术交底表工程名称分部分项工程名称交底内容:概况:本次为 #塔第道附墙安装,附墙安装在 #楼 层,上一道附墙在 层。...
塔吊附墙安全技术交底交底内容:一、 工程概况二、 从业人员安全生产权利和义务三、 正确佩带和使用个人安全防护用品1、 进入施工场地...
塔吊附墙安装安全交底工程名称施工单位施工部位施工内容附墙安装交底内容1、 塔吊附着的建筑物,其锚固点的受力强度要满足塔吊的设计要求...
畔山花园一期工程塔吊附墙加长改造技术(深圳市越众集团股份有限公司 黄开学 邮编:518040)[摘 要] 本工程塔吊 A 附墙中心距最长达 ...
塔吊附着顶升方案 编制; 审核; 审批;洪山区板桥村城中村综合改造 K3 地块QTZ80(TC5610)型塔吊安装附墙(顶升)施工专项方案一、工...
悬挑工字钢拆除施工方案 编制人: 审核人: 审批人: 广州富利建筑安装工程有限公司编制日期:二 0 一七年四月八日悬挑工字钢拆除施...
中洋·生态家园塔吊附墙施工方案编 制 人:刘桂堂审 核 人:宋培军批 准 人:刘 华编制单位: 江苏江中集团编制日期:2014 年 9 月...
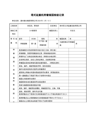
塔式起重机附着锚固检验记录单位名称:通州建总集团有限公司 2024 年 3 月 13 日工程名称珍宝岛。熙悦府安装单位徐州苏之杰起重设备...
QTZ63(5510)塔式起重机附墙顶升、加节施工方案一、工程概况:1、项目名称: 汉南欧洲风情小镇八区 B 地块2、建设单位:绿地控股集团武汉...
塔式起重机附着锚固检验记录单位名称:年 月 日工程名称安装单位施施工场地点锚固负责人塔 式 起重 机型号统一编号塔高 米锚固后高 ...
兴平碧桂园·中央公园一期塔吊附墙施工方案编制人:审核人:审批人:广东龙越建筑工程有限公司2024 年 4 月 21 日目录一、工程概况 3...
塔吊附墙拆除及修补方案第一章 工程概况第一节 项目总体概况序号项目内容1工程名称广州知识城腾飞园项目(1C)总承包工程2建设单位广州知...
温州平阳万达广场工程塔吊附墙施工方案编制/日期审核/日期审定/日期中国建筑第二工程局有限公司温州平阳万达广场项目部二零一三年十二月目...
LJA-C4-2-1塔吊附墙安装(拆卸)安全技术交底单位工程名称施工单位日期设备编号设备型号生产厂家安全技术交底内容1.进行附墙安装作业人员必须...
塔式起重机附墙安装施工方案施工单位:江苏铭鼎建设有限公司监理单位:江苏天园项目管理集团有限公司工程名称:丽城春天 10#—19#楼塔机型...
塔吊附墙安装安全技术交底工程名称名士豪庭Ⅰ区楼施工单位中地长泰建设有限公司施工部位施工内容附墙安装交底内容1、 塔吊附着的建筑物,...
塔吊附墙、加节安装安全技术交底表安全技术交底编号工程名称花果园五里冲棚户区、危旧房、城中村改造项目M区1—16栋施工单位中建四局第三建...
表 5.2.6 班组安全技术交底表编号:04 交底日期:2024。6。15班组名称塔吊安装班组工种安装工班组长顾兴林安全监督人秦帅施工内容塔吊加附...
15.塔吊安装方案本工程场地狭窄,塔吊安装和施工极其困难,经过多次选型和论证,我单位选用了 2 台塔吊,一台是主楼的QTZ6018 塔吊,安...

