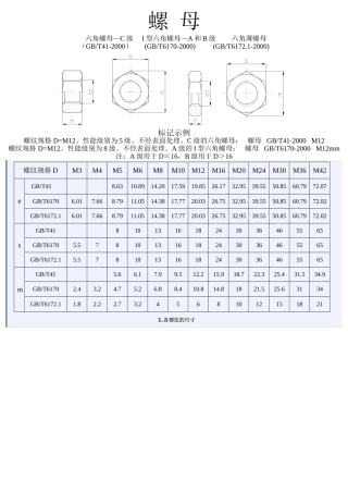
螺母六角螺母—C级I型六角螺母—A和B级六角薄螺母(GB/T41-2000)(GB/T6170-2000)(GB/T6172.1-2000)标记示例螺纹规格D=M12、性能级别为5级...
一、螺母概述1.螺母:螺母有钻石花和斜花纹两种,钻石花不适合热熔但在超声波工艺中表现良好;斜花纹埋植时有自我导向功能,扭拉力综合性能...
毕业设计用纸共16页第1页摘要本文主要是写关于利用数控车床加工圆锥螺母套的一些加工工艺分析、加工方法、注意事项,以及加工所需的机床、...
丝杠螺母机构又称螺旋传动机构。它主要用来将旋转运动变换为直线运动或将直线运动变换为旋转运动。有以传递能量为主的(如螺旋压力机、千斤...
•引言•安全带螺栓螺母拧紧力矩基础知识•安全带螺栓螺母拧紧力矩标准与规范•安全带螺栓螺母拧紧力矩的测量与评估•安全带螺栓螺母拧紧力...
•螺母冷镦工艺简介contents•螺母冷镦工艺流程•螺母冷镦工艺关键技术•螺母冷镦工艺应用案例•螺母冷镦工艺发展趋势与展望目录螺母冷镦工...
(一)、英制螺帽1、依据ANSI/ASMEB18.2.2、ANSI/ASMEB18.6.3.(机械螺帽)、BSW916、JISB1181按其特性又可分为:普通螺帽(FINISHEDHEXNUTS)(1/...
样品或现货:现货类别:压铆螺母材质:碳钢形状:圆形螺纹规格:M2到M10外径:6.3-17.35(mm)产品尺寸原材料和表面处理规格紧固件材质经过...
螺柱常用国家标准GB27六角头铰制孔用螺栓GB70内六角园柱头螺钉GB798活节螺栓(粗制)GB799地脚螺栓(粗制)GB897、GB898、GB899、GB900双头...
螺母六角螺母—C级I型六角螺母—A和B级六角薄螺母(GB/T41-2000)(GB/T6170-2000)(GB/T6172.1-2000)标记示例螺纹规格D=M12、性能级别为5级...
A15-116精密螺母旋转式滚珠丝杠DIR、BLR型0结构与特长A15-117种类A15-119使用寿命A15-44轴向间隙(予压)A15-25精度...
金工实习心得螺母5篇金工实习心得螺母1刚到__大学,老师就跟我们强调了安全,安全第一。在实习过程当中很多项目都是有一定的危险性的,操作...
螺栓原理受控紧固过度紧固没有紧固安全性重做的成本潜在的事故隐患可靠性排放/污染灾难‘第一次就正确紧固’连接完整性–目标•什么是螺...
消除焊接螺母内孔缺陷消除焊接螺母内孔缺陷发表人发表人::张黄张黄小组名称:小组名称:焊接螺母改进小组焊接螺母改进小组合肥合力工程车...
课程名称:精密机械与仪器课程设计作品名称:螺母螺栓建模及装配年级专业:学生姓名:学生学号:指导教师:二〇一年十一月1一、创建螺母设...
NX螺栓螺母的创建及装配西南交通大学测控技术与仪器2010-01班薛东明20101807一、创建螺栓1、新建/模型/确定,取名luoshuan。2、选择圆柱,...
一、双头螺栓重量表规格直径X长度M10X40A型(双头丝)B型(全丝)规格直径X长度A型(双头丝)B型(全丝)每千个螺栓重量(公斤)每千个螺栓...
学士学位论文论文题目:开合螺母加工工艺流程以及车削夹具设计院(部)名称:学生姓名:专业:学号:指导教师姓名:论文提交时间:论文答辩时间:学位...
第1页共32页编号:时间:2021年x月x日书山有路勤为径,学海无涯苦作舟页码:第1页共32页摘要本设计题目为圆锥孔螺母套加工工艺规程制定,体...
第1页共15页编号:时间:2021年x月x日书山有路勤为径,学海无涯苦作舟页码:第1页共15页螺母焊接规范一、螺母形状和评定项目形状评定项目(...

