第1页共8页编号:时间:2021年x月x日书山有路勤为径,学海无涯苦作舟页码:第1页共8页热压和超焊塑料用嵌入螺母结构设计HEAT-LOKThreadSize...
第1页共2页编号:时间:2021年x月x日书山有路勤为径,学海无涯苦作舟页码:第1页共2页室内硬聚氯乙烯螺旋排水管(螺母挤压密封圈连接)补充...
摘要盖形螺母,包括螺母体和盖帽,其技术解决方案是螺母体和盖帽为分体结构,两者通过焊接连接。采用分体结构后,螺母体可采用现有的标准螺...
螺母焊接规范一、螺母形状和评定项目形状评定项目(需同时满足)T形外观螺纹精度保证载荷抗拉荷重和焊核直径圆形抗拉荷重和焊核直径六边形...
螺栓螺母紧固原理讲解课件•螺栓螺母紧固原理概述•螺栓螺母的类型与选择•螺栓螺母的安装与拆卸•螺栓螺母的紧固方法与技巧•螺栓螺母的维...
轮胎螺母拆装机安全作业规程一、使用前应检查冲击器冲击功能是否有效,电缆线是否有破损、老化等不绝缘的缺陷;二、根据被修车的轮胎,在拧...
学士学位论文论文题目:开合螺母加工工艺流程以及车削夹具设计院(部)名称:学生姓名:专业:学号:指导教师姓名:论文提交时间:论文答辩时间:学位...
丝杠螺母机构又称螺旋传动机构。它主要用来将旋转运动变换为直线运动或将直线运动变换为旋转运动。有以传递能量为主的(如螺旋压力机、千斤...
摘要本设计题目为圆锥孔螺母套加工工艺规程制定,体现了车削加工工艺的设计的要求和内容,在紧固作用上有一定的设计意义。通过对该零件车削...
室内硬聚氯乙烯螺旋排水管(螺母挤压密封圈连接)补充定额说明一、本定额安装工程预算定额第八分册《给排水、采暖、煤气工程》的补充定额。...
可行性研究报告2013/1第一章项目概论一、项目名称及承办单位1、项目名称:六角螺母生产项目2、项目建设性质:新建3、项目承办单位:****投...
全金属自锁圆螺母项目可行性研究报告(立项+批地+贷款)编制单位:北京中投信德国际信息咨询有限公司编制时间:二〇二四二〇二四年十一月咨...
螺母生产质量控制计划书序号SERIALNO.工艺名称PROCESSNAMES备注REMARKS1原材料检验RAWMATERIALINSPECTION2退火ANNEALING3酸洗ACIDCLEANING4...
附件:49项汽车行业标准编号和标准名称及起始实施日期序号标准编号标准名称代替标准编号起始实施日期1QC/T893—2011电动汽车用驱动电机系统...
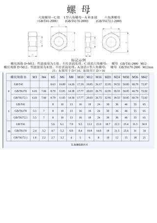
螺母六角螺母—C级I型六角螺母—A和B级六角薄螺母(GB/T41-2000)(GB/T6170-2000)(GB/T6172.1-2000)标记示例螺纹规格D=M12、性能级别为5级...
学习任务二六角螺母的制作学习目标学习目标¤1.能运用分度头对圆钢进行等分划线。¤2.能正确选择正确的加工方法完成六角螺母的加工。¤3...
学习任务二六角螺母的制作学习目标学习目标¤1.能运用分度头对圆钢进行等分划线。¤2.能正确选择正确的加工方法完成六角螺母的加工。¤3...
一、双头螺栓重量表规格直径×长度A型(双头丝)B型(全丝)规格直径×长度A型(双头丝)B型(全丝)每千个螺栓重量(公斤)每千个螺栓重量(公斤)每千...
公司:技术文件第1页共5页部件编号文件名称文件编号版本塑胶件热压螺母、预埋螺母加工技术要求V-0000-018A参考资料资料编号说明版本ECN/PCN...

