主板、中小板、创业板、新三板新三板、创业板、主板、中小板市场的区别项目新三板新三板”市场特指中关村科技园区非上市股份有限公司进入代...
主板、中小板、创业板、新三板新三板、创业板、主板、中小板市场的区别项目新三板新三板”市场特指中关村科技园区非上市股份有限公司进入代...
下载后可任意编辑工程设备主板维修方案1. 背景工程设备主板作为工业生产自动化和信息化的重要载体之一,扮演着至关重要的角色。由于其长时...
主板、创业板、中小板、科创板上市条件比较条件A 股主板创业板 IPO 办法中小板科创板主体资格依法设立且合法存续的股份有限公司依法设立...
下载后可任意编辑笔记本主板更换【笔记本革命性升级 选择RTX 游戏笔记本的几个理由】 对于游戏玩家来说,刚过去的 2024 年是最令人惊...
1 图解:主板电线接法(电源开关、重启等) 图解:主板电源线接法(电源开关、重启开关、USB、耳机麦克风等) 一般,主板电源开关和重启...
更换主板后,开机出现“Stop 0x0000007B”错误的解决方案 概要 本文说明在将系统磁盘移动到备份计算机上之后试图启动基于 Microsoft W...
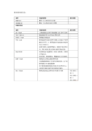
【 分 类 篇 】 目 前 常 见 的 电 源 的 供 电 接 口 大 概 分 为 以 下 几 种 : 24Pin、20Pin或 20+4Pin:...
映泰A770L3主板BIOS说明书
BIOS介绍及相关设置 一:昂达 G41C+主板 BIOS 操作键位 .................................................................. 2 二...
昂达A78GT主板说明书
无需多花钱 教你不换主板升级U SB3.0 高速U SB3.0 接口如何简单替换? 随着移动存储设备的日新月异,高速效率的工作和娱乐方式一直是...
无需多花钱教你不换主板升级USB3.0随着移动存储设备的日新月异,高速效率的工作和娱乐方式一直是消费者所追求的方向。USB3.0是2011年存储市...
当前主板主要性能参数及主流主板介绍 主板性能参数 主板的种类非常多,有近百种,但主板的组成基本相同。主板上包含有CPU,内存,芯片组...
一、 待机条件产生原理 1.实时时钟供电 RTCVDD BAT 电池电压 VBATT,通过 RB 电阻改名为 VBAT,一路送到 IO 检测电池电量,二路...
开机主板不响!能听见风扇转,显示器黑屏无反映j键盘不亮! 开机主板不响!能听见风扇转,显示器黑屏无反映j键盘不亮!! 启动黑屏故障的检修...
公司上市方案规划第一部分内部程序一、董事长要考虑的事情二、董事会秘书是企业上市的先行官三、企业上市筹备阶段的工作协调四、具体操作第...
1 联想主板音频和USB 跳线的定义主板音频和 USB 跳线的定义有联想标准和Intel 标准。两种标准的定义不同。 2004 年以前开始使用的主...
下载后可任意编辑[主板 cpu 的搭配方案推举] 主板和 cpu 怎么搭配 主板 cpu 如何搭配?下面是我跟大家分享的是主板 cpu 如何搭配...
下载后可任意编辑深圳市鼎海通讯有限公司手机主板维修合作协议书协议No:DW4-LAS-805-005甲方: 深圳市鼎海通讯有限公司乙方: 甲、乙双...

