五、用 户 必 读 1、 故障代码含义速查表是按代码值从小到大排序,卡中出码顺序由电脑主板上 BIOS确定; 2、 四位代码中分为两组两...
企业在境内A 股主板、中小板上市流程 企业在境内A 股上市一般来说主要可以分为四个阶段,按时间顺序依次为:改制阶段、辅导阶段、申报材...
类型 序号 宏 定 义 名 称 出 现 错 误 原 因 错误码 子码 处 理 方 式 禁止处理 允 许 处 理 恢 复 处理 监 ...
[主 板 维 修 ] 图 文 手 把 手 教 你 用 示 波 器 修 板 , 不 会 用 的 就 进 来 了 !!!! 看 到 论 ...
Z97 主板的 RAID 配置详解 Z97 主板的 RAID 配置有 2 种模式:传统模式和 UEFI 模式。传统模式支持 2,2TB 的 RAID 卷(传统...
IODOL5321/0DOB0830/0EDP00/0DCB0840/0ISS0930/0LWO1330/0LNS/DIS1/1430/0LWX/ACSANS/11231/0UIS/0101/0DIS/0101/0CTL/PKS/6010/0PKS00/00C...
Min i PCI‐E 主板诊断卡使用说明 一、 概述 该卡采用了 ALTERA 公司的芯片解决方案,采用四层 PCB 板设计,二位数码显示。 注...
下载后可任意编辑电脑组装图解教程之接口线缆安装细节以 Intel 平台为例,借助两块不同品牌的主板 ,对各种接口及其连接方法进行一下详...
电脑主板常见故障维修实例一、主板插槽(接口)常见故障与维修故障现象 1:一台杂牌 i845EP 主板主机频繁死机,振动机箱后死机频率下降。...
1 深圳证券交易所创业板上市公司规范运作指引 (2015 年修订) 目录 第一章 总则 ..................................................
条件主板、中小板创业板主体资格股份有限公司股份有限公司经营年限持续经营时间应当在3 年以上(有限公司按原账面净资产值折股整体变更为股...
1 香港交易所指引信 HKEx-GL55-13(2013 年 7 月,於 2013 年 9 月、2014 年 2 月及 2014 年 3 月更新) - 適用於 2013...
作为一名新手,要真正从头组装好自己的电脑并不容易,也许你知道CPU 应该插哪儿,内存应该插哪儿,但遇到一排排复杂跳线的时候,很多新手...
精英主板BIOS 的设置 一、BIOS 基本知识 1、什么是BIOS BIOS 是一组设置硬件的电脑程序,保存在主板上的一块ROM 芯片中。我们平常最...
浅谈CPU 的选择及主板/显卡的搭配,1 月2 日。 一、前言 09 年的硬件市场涌现了不少了亮点,65 向 45 纳米 CPU 的全面过度、DDR...
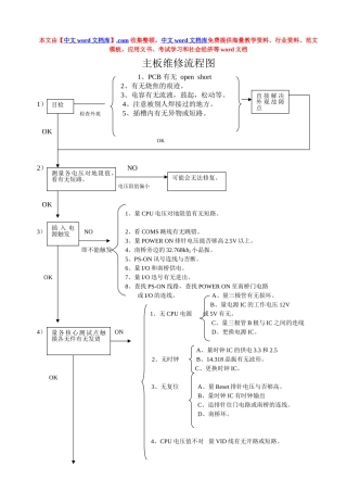
本文由【中文 word 文档库 】.com 收集整顿。中文 word 文档库 免费提供海量教学资料、行业资料、范文模板、应用文书、考试学习和社...
下载后可任意编辑手机主板授权三级维修协议 编号:ZYASX070506甲方: 地址: 邮编:乙方:深圳安士信科技有限公司地址: 深圳市福田区园...
主板维修思路首先主板的维修原则是先简后繁,先软后硬,先局部后具体到某元器件。一.常用的维修方法:!1.询问法:询问用户主板在出现故障...
常用主板 IC 芯片 常用主板 I/O 芯片 W83977EF W83977EF-AW W83977 T FIT8870F-A W83627HF-AW8712F W83627HFLM2637M W83627SF...
1 / 8 主板那么多芯片你能认识几个?在我们熟知的 DIY 硬件中, 主板 可以说一直扮演着非常低调的一个角色。虽然其在平台中的重要性...

