1主板与中小板上市条件比较(2011-12-2009:42:12)转载▼标签:财经发行人会计年度持续盈利能力关联交易杂谈分类:资本摘要一、国内主板首次...
主板、中小板、创业板、新三板1新三板、创业板、主板、中小板市场的区别项目新三板创业板主板、中小板名称定义新三板”市场特指中关村科技...
1主板Debug诊断卡代码解释及故障原因主板诊断卡(主板debug卡)的工作原理是利用主板中BIOS内部自检程序的检测结果,通过代码一一显示出来...
电脑主板、机箱、电源接线大全目录(下载后单击目录可直接跳至相关章节)第一部分:主板与机箱接线的连接知识第二部分:图解主板与机箱接线...
不用再看说明书机箱主板接线全攻略攒机过程中具备着很多细节,很多DIY高手对此都会很随意,很多时候由于随意就会出现USB接口接触不良,有的...
家用空调主板整机可靠性测试标准目录1范围22要求23试验23.1快速升降电压23.2电冲击33.3温度升降33.4启动性能43.5电压极限运行53.6最大频率...
计算机组装与维护课程—计算机主板CPU和内存的安装微课制作说明计算机主板CPU和内存的安装微课是计算机组装与维护课程当中一个较着重实践操...
主板前面板插线图解整理B86du来源于网络钥匙开机其实并不神秘还记不记得你第一次见到装电脑的时候,JS将CPU、内存、显卡等插在主板上,然后...
主板(含中小板)、创业板IPO申请发行基本条件事项A股主板、中小板A股创业板监管机构中国证监会、上海证券交易所和深圳证券交易所。中国证...
条件A股主板、中小板创业板IPO办法主体资格依法设立且合法存续的股份有限公司依法设立且持续经营三年以上的股份有限公司经营年限持续经营时...
1蓝光控制系统售后工程师培训手册2(第三版)沈阳市蓝光自动化技术有限公司故障代码说明1、ER02:门联锁在电梯运行过程中断开。现象1:运行...
计算机硬件之主板资料课件目录•主板的概述•主板的各个部分详解•主板的选购与使用•主板常见故障及解决方法•主板的发展趋势和未来展望01...
笔记本维修思路及笔记本主板部分电路工作原理介绍2008-03-1015:49一.显示屏故障:笔记本的显示屏看不到显示屏盖打开屏背对着阳光如果能看到...
1/16看一台笔记本的性能怎么样,很多时候第一时间看它的CPU的性能怎么样,然后综合决定这台笔记本使用于什么用途。如何看懂笔记本cpu的参数...
ComputerMainBoarddefectPostCard电脑主板故障诊断卡OperatingInstructions说明书(thereareeditionsinEnglishforyoutochoose)(可选配中文版...
一、二、三线主板厂商谁才是?所谓的划分主板厂商为一、二、三线的说法,其主要根据不是主板的技术能力、产品做工等来划分的,而是以产品的...
第1页共7页编号:时间:2021年x月x日书山有路勤为径,学海无涯苦作舟页码:第1页共7页微星科技荣获台湾经济部“产业科技发展优等创新企业奖...
电脑型号惠普惠普康柏dx2390Microtower台式电脑操作系统Windows7专业版32位SP1(DirectX11)处理器英特尔Pentium(奔腾)双核E5800@3.20GHz主板...
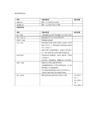
服务器闪烁信息:1-1-2-1:
奥的斯电梯主板参数()2————————————————————————————————作者:———————————————————...

