城市桥梁建设进展论文 第一,应充分重视城市桥梁作为城市生命线工程极其重要的工程结构其特别作用,切实加强城市桥梁安全度和耐久性的讨论...
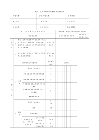
模板、支架和拱架检验批质量验收记录工程名称分项工程名称验收部位施工单位专业工长项目负责人分包单位分包负责人施工班组长施 工 执 行...
城市桥梁工程施工与质量验收规(CJJ2-2024)省统一配套用表目 录第一章 编制依据……………………………………………………………………...
1K412000 城市桥梁工程 1K412024 城市桥梁工程结构与材料1K412024 掌握城市桥梁结构组成与类型本条文简要介绍城市桥梁结构组成与类型。...
商务大道南郊河大桥桥梁装饰工程招 标 文 件招 标 单 位:嘉兴国际商务区投资建设有限公司招标代理单位:嘉兴市中诚建设投资咨询有限...
nán南chāng昌shì市dòng动wù物yuán园qiān迁jiàn建gōng工chéng程jǐng景guān观qiáo桥 、dào道lù路j í及gěi给pái排shuǐ水...
一、桥梁概述;本总监办下辖三个施工标,共有桥梁 3.5 座;第四合同段;东溪 2 号桥,中心桩号 ZK13+584/YK13+500,右交角 135°,单...
一、工程检查情况表表 1—1 工程名称工程地点开工日期形象进度道路类型道路等级里程数检查时间工程造价检查人员检查情况小结现场实体质量...
——文章来源网络,仅供个人学习参考桥梁钢筋工程施工安全技术交底一般要求()钢筋加工场设置符合下列要求:)各机械旁应设置机械操作程序...
精选 word 范本,供参考!XX 工程一第二标段防撞墙施工方案项目名称:XX 工程一第二标段 建设单位:沈阳市城市建设管理局设计单位:沈...
市政桥梁工程验收批划分方案工程名称建设单位监理单位施工单位分部工程子分部工程分项工程检验批拟划分检验批数量地基与基础扩大基础基坑开...
元墩隧道桥梁土方、排水及防护工程施工组织设计表 1 施工组织设计文字说明一、设备、人员动员周期和设备、人员、材料运到施工现场的方法...
中小桥梁设计方案讨论 1.引言 由于圩区的独特的形成过程,其具有两大明显的特点:一是圩区内水网密集,基本上是塘连塘、塘连沟,塘连河,...
《桥梁工程》课程设计任务书一、题目装配式钢筋混凝土 T 型梁桥设计(上部结构)二、课程设计的目的及任务装配式钢筋混凝土 T 型梁桥设...
两河口库区复建桥梁工程砂石加工系统成品砂石骨料运输项目投 标 文 件(第一册 共一册)投标人: 雅江县平安运输有限责任公司 委托代...
下塔柱施工脚手搭设电梯安装中塔柱爬架翻模施工上塔柱封顶上塔柱翻模施工下塔柱翻模施工下横梁、下塔柱同步一次浇筑下横梁支撑安装中塔柱第...
YLTJJH-QL1 标项目工程施工过往交通分流实施方案舜通路桥工程YLTJJH-QL1 标项目部二 0 一三年六月YLTJJH-QL1 标项目工程施工期间交通...
《道路与桥梁》1一、单项选择题( 分)1、电孤焊和绑扎接头不宜位于构件的( )。A. 最小弯矩处 B. 最大弯矩处 C. 最大拉力处 D. 最...
摘 要GPS 技术是当今信息社会进展最快的技术之一,GPS 定位技术以其速度快、精度高、全天候、不受通视条件限制、费用省、操作简便等优良...
第 4 章 连续刚构桥参数化有限元模型建立4.1 引言众所周知,有限元分析的最终目的是通过模型来反映实际工程的力学特性,建模的过程是将...

