跳 闸 时 电 量 对 故 障 性 质 的 判断 1、一 般 只 能 根 据 阻 抗 角 判 断 是 否 金 属 性 短 路 或 ...
故障诊断技术操作手册
故障诊断的参考标准 为了获得最佳的诊断效果,在机械设备诊断的过程中应该建立设备的故障报警门限参考标准,现将国际上通用的标准列出如下...
1 1.设备故障诊断最初的发展阶段是 ( A ) 。 A.感性阶段 B.量化阶段 C.诊断阶段 D.人工智能和网络化 2、设备故障诊断技术在...
泰勒螺柱焊接系统(上海)有限公司 Taylor Studwelding Systems (Shanghai) Co.,Ltd 技术标准 文件编号:TL/JS 01-01 故障诊断及维...
《故障诊断与专家系统》作业 题 目: 模糊数学在故障诊断中的应用 学 院 信 息 与 控 制 学 院 专 业 15 控 制 工 程 ...
实用文档 故障管理和故障处理流程规定 (暂行稿) 工程运维中心 二〇〇八年八月 目 录 第一章 目的…………………………………………...
故障码的含义下表(联合电子): Index PCODE DFP_Bosch UAES说明 CLASS 1 P0030 HSVE_SI_CDC 上游氧传感器加热控制电路开路 3 ...
1巡航启动:01-11-11463,汽车启动2巡航关闭:01-11-161673.节气门匹配:01-10-00 04-060或098 PQ35车型需要再点击启动。4二次空气泵基本...
ABS 系统 故障码 桑塔纳 2000 ( GLI ) V、A、G1552 屏幕显示 故障原因 故障排除 00668 供电端子信号超差 ABS 系统保...
故障电流限制器调研报告 1 概述与国内外研究现状 电力系统的迅速发展,单机和发电厂容量、变电站容量、城市和工业中心的负荷和负荷密度...
1 故障注入系统 系统概述 目前国内外公认的、行之有效的,具有广泛应用前景的环境就是软件仿真测试平台。它是面向嵌入式软件测试的计算...
故障模式及影响分析
故障检测诊断专家数据库 1.数据库的功能 本次设计中故障检测诊断专家数据库是应用于后台诊断服务器平台上,应具备以下功能: 1) 数据...
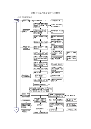
电脑全方面故障检测方法流程图 (一)加电类故障判断流程 (二)启动与关闭类故障判断流程 (三)磁盘类故障判断流程 (四)显示类故障...
故障检测与诊断技术在暖通空调领域的应用和展望
第三节 故障树概述 故障树分析是一种根据系统可能发生的事故或已经发生的事故结果,去寻找与该事故发生有关的原因、条件和规律,同时可以...
故障树分析法(Fau lt Tree Analy sis 简称FTA) 概念 什么是故障树分析法 故障树分析(FTA)技术是美国贝尔电报公司的电话实验室于196...
故障树分析法:什么是故障树是一种特殊的倒立树状逻辑因果关系图,它用事件符号、逻辑门符号和转移符号描述系统中各种事件之间的因果关系。...
故障树分析法(Fault Tree Analysis 简称FTA) 概念 什么是故障树分析法 故障树分析(FTA)技术是美国贝尔电报公司的电话实验室于1962 ...

