第29卷第3期电网技术Vol.29No.32005年2月PowerSystemTechnologyFeb.2005文章编号:1000-3673(2005)03-0009-06中图分类号:TM721文献标识...
MM4变频器当设置P1254=1时,误报A911或A502的问题MisinformationA911orA502whensetP1254=1SingleFAQEdition(2008年-11月)IA&DTService&Sup...
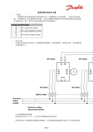
交流通用变频器共直流母线的设计与应用【摘要】在工业电气传动中,由于工艺和驱动设备的各种原因,再生能量的现象经常发生,在能量回收系统...
无刷直流电机控制器接线图我们介绍一些典型电动自行车控制器接线图,通过这些接线图可以了解电动自行车电机驱动、控制系统的构成。1.以zkc3...
第25卷第1期1998年1月华北电力大学学报JournalofNorthChinaElectricPowerUniversityVol.25No.1Jan.1998直流系统接地故障检测新原理及装置蔡...
直流CT电子测量单元检验方法探讨直流CT的配置电子测量单元工作原理电子测量单元检验方法异常处理实例直流CT电子测量单元检验方法探...
直流电位差计检定规程VerificationRegulationofDCPotentiometers本检定规程经国家计量局于1988年2月6日批准,并自1989年1月1日起施行。归口...
浅析特高压直流工程接地极线路导线的选型通常在直流输电系统接地极线路工程中,导线投资一般约占整个工程投资的30%,而且导线型式直接关系...
直流系统技术方案书##有限公司根据对贵方技术条件要求,选用我公司的PZDW型直流电源系统,做出以下技术方案。1、遵循的规范和现行标准直流系...
直流稳定电源设计制作人:某某题目:直流稳定电源的设计一、任务:设计并制作交流变换为直流的稳定电源二、要求:1.基本要求(1)稳压电源...
一、填空题:(每空分,共分)1、某电路处于短路状态:其端电压U=,电路中电流1=,电源对外做功P=。2、根据电阻率P的大小,将P的材料称为良...
柔性直流输电系统过电压及绝缘配合报告西安交通大学2012.12.151.研究背景和内容42.两端柔性直流输电系统仿真模型的建立42.1柔性直流输电系...
无刷直流电机(或简称BLDC电机)是一种采用直流电源并通过外部电机控制器控制实现电子换向的电机。不同于有刷电机,BLDC电机依靠外部控制器...
电力电子技术课程设计说明书设计课题:直流稳压电源的设计专业班级:13级电气一班姓名:李建建学号:00指导教师:张小莉完成时间:2015年12...
DDDDDDDDDDD1DDDDDDD40ADD7620・066・818・4Qi2DDD3D3DDDDDDDDDDDDDD4DDDDDDDD4.1DDDDDGB/T3859.3-2013GB/T7261-2008AC/1DDDDDDD40ADD7620...
内蒙古华宁热电有限公司2X150MW供热机组直流绝缘监察装置技术规范批准:审核:编制:买方:内蒙古华宁热电有限公司卖方:2016年01月乌兰察...
逆变直流电焊机的工作原理逆变电焊机的基本工作原理逆变电焊机主要是逆变器产生的逆变式弧焊电源,又称弧焊逆变器,是一种新型的焊接电源。...
光伏DC1500V直流系统断路器选型方案随着光伏DC1500V系统的脚步临近,选型问题大家也提上了议事日程。2015年7月圣昂电气在国内率先上市DC150...
一选择题1、直流串励式起动机中的“串励”是指(B)。A吸引线圈和保持线圈串联连接B励磁绕组和电枢绕组串联连接C吸引线圈和电枢绕组串联连...
直流母线接地后的处理方法一、我厂直流系统的结构、运行方式:我厂直流系统的运行时两段直流母线分裂运行,直流Ⅰ母、Ⅱ母的母联开关都在电...

