下载后可任意编辑小车司机岗位职责 小车司机在局办公室主任的直接领导下开展工作,其主要职责是: 1、乐观参加业务和平安学习,自觉遵守...
下载后可任意编辑小车维修服务合同甲方: 乙方: 签订地点: 签订时间: 合同编号: 下载后可任意编辑 小车修理服务合同 托修方(甲...
下载后可任意编辑小车车位租赁合同甲方信息甲方:____________________(出租方姓名)联系地址:____________________联系电话:__________...
[文档标题 ] 目录1 设计任务与要求 ............................................ 1 1.1 课程设计任务 ............................
有差速器的小车模型 引言: 阅读与思考: 差速器是一种将发动机输出扭矩一分为二的装置,允许转向时输出两种不同的转速。 在现代轿车或...
Intelligent Vehicle Our society is awash in “machine intelligence” of various kinds.Over the last century, we ha...
首届 ST-EMBED电子设计大赛参赛作品:走迷宫的小车A Robot System Based On Wireless Communication参赛学校: 华中科技大学参赛学...
下载后可任意编辑基于灰度传感器的智能小车避障寻优系统设计与实现 一、引言 随着移动互联网的飞速进展,人工智能已经成为科技进展的推动...
1 / 4 2.1 实验:探究小车速度随时间变化的规律同步练习【学习目标细解考纲】1.会正确使用打点计时器打出的匀变速直线运动的纸带。2....
百度文库- 让每个人平等地提升自我11 实验:探究小车速度随时间变化的规律【学习目标】1.进一步练习使用打点计时器并会利用平均速度求瞬...
毕 业 设 计(论 文)题 目视觉导引智能寻迹小车系统设计如需要源代码或者其他资料可以联系我(1163776101@qq.comOR m201570436@hust...
下载后可任意编辑企业小车班司机先进事迹 企业小车班司机先进事迹 2024 年小车班网页从无到有,是谁让班组建设迈上一个台阶?是谁始终坚...
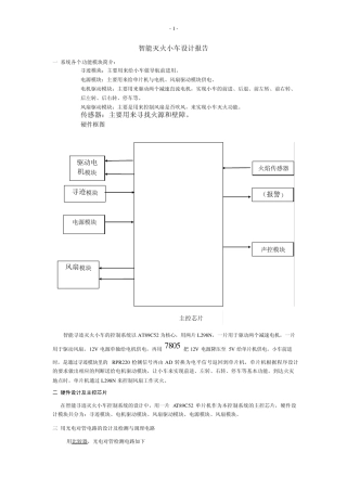
- 1 - 智能灭火小车设计报告 一 系统各个功能模块简介: 1. 寻迹模块:主要用来给小车做导航前进用。 2. 电源模块:主要用来给单...
1 XX 医院 整体物流解决方案 广 西 曼 彻 彼 斯 自 动 化 设 备 有 限 公 司 广西曼彻彼斯自动化设备有限公司 2 目 ...
智能循迹小车详细制作过程
-1- 1 . 实习目的 1) 熟练掌握焊接技能、电子元器件的识别 2) 了解智能循迹小车的构成 3) 培养团队的协作和沟通能力 2 . 实习...
智能循迹小车设计报告
BF-1 餐饮服务机器人 实验报告册 院系名称 :电气工程学院 专业班级 :电气1103班 学生姓名 :周伟伟 协 会 :电子科技协会 HE...
毕业教学环节成果 (2 0 1 2 届) 题 目 智能小车速度测量控制系统设计 学 院 信息工程学院 专 业 电气自动化技术 班 级 ...
扬 州 大 学 能 源 与动力工程学 院 课 程 设 计 报 告总结 题 目: 智能小车运动控制系统 课 程: 电子技术综合课程设...

