遵义市中心城区银河西路公交停保场项目地下室外脚手架专项方案目录目录...................................................................
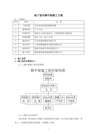
地下室外脚手架施工方案1、工程概况序号项目内容1工程位置长沙县星沙镇松雅湖南侧2建筑面积5.77万m24结构形式基础人工挖孔桩承台,主体框架...
二十八所系统装备研综合保障大楼工程地下室外侧壁回填土施工方案编制人:审核人:审批人:江苏邗建集团有限公司二○一五年三月十日地下室外...
表C2-4技术交底记录编号工程名称华蓥市中医医院建设项目日期2018年4月1日交底部位内脚手架搭设页数共页交底内容:一、支撑架搭设模板支撑体...
○○○○工程地下室底板降水井点封闭防水封堵施工方案一、工程概况及编制依据二、施工准备三、工艺流程一、工程概况工程名称:○○○○地下...
连云港花果山大酒店-贵宾楼地下工程施工方案第一部分一、工程概况1、工程总体概况:工程名称连云港花果山大酒店-贵宾楼工程地址西侧紧邻花...
品誉科技地下商场信号覆盖系统解决方案黑龙江品誉科技有限公司品誉科技手机信号放大系统随着移动通讯网络的迅猛发展,网络覆盖范围正在不断...
“先学后教,当堂训练”课时备课一、板题、示标教师主导——学生主体——训练主线课题《地下森林断想》课型课时1编号主备人使用时间教学目...
地下三维综合管线管理信息系统详细设计说明书二0一五年三月目录1.引言....................................................................
某商业广场广场基础施工组织设计1.工程概况1.1工程名称:1.2工程地址:1.3建设单位:1.4设计单位:1.5监理单位:1.6施工单位:1.7...
XX城置花园龙湾一期地下人防消防工程施工组织设计XXX消防工程设备有限公司二0XX年X月目录-1-第一章工程概况………………………………………...
安徽省隆峰建设工程有限公司地下人防工程施工方案目录1.编制依据22.工程概况23.施工准备33.1施工现场准备33.2施工流水段划分原则33.3施工流...
xxxxx地下人防工程施工方案编制人:审核人:批准人:编制单位:xxxxx建设集团有限公司xxxx项目部编制日期:2017年6月25日地下人防工程施工...
苏滁现代产业园一期安置房工程Ⅲ标苏滁现代产业园一期安置房工程(Ⅲ标)人防工程施工方案马鞍山天立建设有限责任公司二0一二年九月三十日...
中国建筑一局(集团)有限公司地下人防工程施工方案目录1.编制依据22.工程概况23.施工准备33.1施工现场准备33.2施工流水段划分原则33.3施工...
目录1.全面性1.1工程概况、施工组织方案;1.2施工机械设备、劳动力投入计划;1.3质量、工期、安全措施方案;1.4文明施工措施;1.5施工总进...
技术交底记录表C2-1编号01-C2-010工程名称***花园二期3#楼交底日期2010年04月23日施工单位***公司分项工程名称钢筋安装交底提要地下一、二...
非煤矿山地下开采申请安全生产许可证所需资料非煤矿山(地下开采)申请《安全生产许可证》上报资料参照目录一、《安全生产许可证申请书》(...
第一章编制依据、工程概况.........................................................................................................2...
处理有不同详解地下车库事故处理方法在地库中遇到交通事故不是和道路上一样吗?其实,在交通法规中,地库属于“非道路”的范畴内。在“非道...

