台湾省 2017 年上半年安全工程师安全生产法:长期许可、短期许可与临时许可考试试题一、单项选择题(共 25 题,每题 2 分,每题的备...
附件 1:申请函示范文本和申请书格式文本申请函示范文本关于申请 xxxx 建设项目取水许可审批的函(公文编号)****水利委员会:【项目基...
下载后可任意编辑2024 年教育局行政许可科工作总结___年,在市教育工委的领导下,结合第二批党的群众路线教育实践活动,法规科(行政许可...
危险作业许可安全经管制度1. 目的为使所有作业人员了解哪些类型的作业是相当危险或者具有重大环境影响的,并对此类作业予以有效控制,制定...
规章制度:________危险作业许可安全管理制度单位:______________________部门:______________________日期:______年_____月_____日第 ...
第一类餐饮服务许可现场核查表 ( 适 用 于 特 大 型 餐 馆 , 大 型 餐 馆 , 供 餐 人 数 300人 以 上 的 学 ...
甘肃省生产加工食品小作坊加工 许可管理暂行办法 第一章 总则 第一条 为了规范生产加工食品小作坊的加工制作活动,保障食品质量安全,...
部令 第20 号 环境保护部令 环境污染治理设施运营资质许可管理办法 《环境污染治理设施运营资质许可管理办法》已于2011 年12 月30 ...
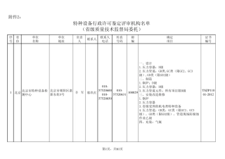
序号省份单位名称单位地址负责人联系人联系人电话传真号码邮编确定项目证书编号1北京北京市特种设备检测中心北京市朝阳区惠新东街3号 辛 ...
序号省份单位名称单位地址机构负责人邮编联系电话传真号码1北京中国特种设备检测研究院北京市朝阳区和平街西苑2号楼林树青1 0 0 0 1 3...
特种设备生产单位许可目录 (2022.6.1 实施) 许可类别 项目 由总局实施 的子项目 总局授权省级市场监管部门实施或由省级市场监管部...
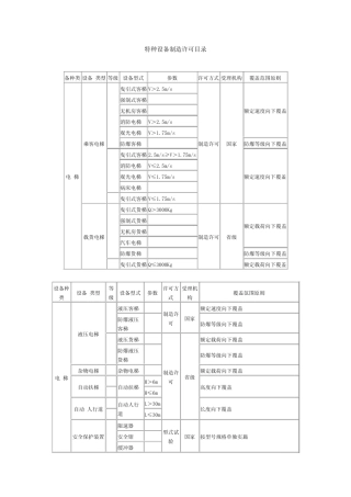
特种设备制造许可目录(起重机械) 设备种类 设备类型 等级 设备型式 参数 许可方式 受理机构 覆盖范围原则 起 重 机 械 桥 ...
附件1: 特种设备制造许可目录 设备种类 设备 类型 等级 设备型式 参数 许可方式 受理机构 覆盖范围原则 电 梯 乘客电梯 A ...
- 1 - 中华人民共和国特种设备制造许可申请书填写说明 1 适用范围 包括锅炉、压力容器,以及所属的安全附件。本表只适用境外制造企业...
特种设备制造许可申请书
特种设备制造许可单位基本条件 电梯 产品名称 基 本条件 乘客电梯 载货电梯 液压电梯 杂物电梯 自动扶梯和 自动人行道 A级 B级...
特种设备制造、安装、改造、维修许可鉴定评审细则(TSGZ00052007)
特种设备制造许可目录 备种类 设备 类型 等级 设备型式 参数 许可方式 受理机构 覆盖范围原则 电 梯 乘客电梯 A 曳引式客梯...
特殊作业安全确认许可管理制度 1 目的 贯彻安全生产法律法规,落实安全生产主体责任,加强危险性较大作业的安全确认许可管理,实现安全...
1 包神铁路物业管理公司 SHBS-WY-2014 危险作业许可管理制度 (讨论稿) 2014-08-31 发布 2014-09-01 实施 神华包神铁路集团物业...

