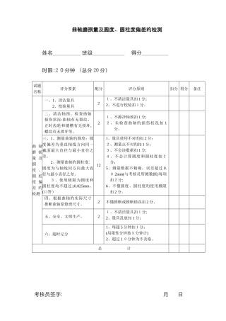
曲轴磨损量及圆度、圆柱度偏差旳检测姓名 班级 得分 时限:2 0分钟 (总分 20 分)试题名称评分要素配分评分原则扣分 得分备注曲 ...
中秋节祝福祝福语-花好月圆度中秋 秋意撩人,愿在初秋的夜晚你我共享,皓月当空,思意正浓!祝中秋欢乐,记得留块月饼给我呦! 关掉你的手...
圆度仪项目深度讨论分析报告目录概论...................................................................................................
圆度仪项目可行性讨论报告目录前言.....................................................................................................
精品文档---下载后可任意编辑三维圆度误差数字化检测与评定算法讨论的开题报告1. 讨论背景和意义三维圆度误差是机械制造过程中的一个重要...
精品文档---下载后可任意编辑CANopen 在三坐标轴圆度测量仪中的应用讨论的开题报告1. 讨论背景三坐标轴圆度测量仪是一种用于测量工件圆度...
驱动优化指南 191211333.doc 一.驱动优化的必要性: 数控系统的主要功能是把编制的NC 程序转变成相应的轴的机械位移,在轴位移的过程...
泰勒圆度仪说明书
2 仪器的设置下面介绍 RA-116 系列产品的设置环境和仪器的连接方法。2.1 设置环境的选择使用环境对RA-116 系列产品的测定功能有一定...
1 –1 1. 参数和定义 参考 参考圆是用某种规则匹配测量数据得到的相关圆,据此参考圆计算得到圆度的有关参数。 最小二乘参考圆(LSCI)...
在Photoshop 中按下快捷键〖F5〗即可调出画笔调板,注意这个画笔调板与画笔工具并没有直接关系,这是笔刷的详细设定调板。其实应该命名为...
圆度和圆柱度误差测量
2仪器的设置下面介绍RA-116系列产品的设置环境和仪器的连接方法。2.1设置环境的选择使用环境对RA-116系列产品的测定功能有一定影响,因此...
PVC-U管的圆度测量和产品缺陷分析供料和挤出工段,主要工况变量:供料速度;温度分布;牵引和冷却工段,主要工况变量:牵引速度截断工段主...
项目二:发动机气缸体检测学习任务一气缸圆度圆柱度测量引入案例分析一辆2014年生产的丰田卡罗拉轿车行驶8万公里后,加速无力,车辆行驶时发...
圆度仪原理内容来源网络,由“深圳机械展(11万㎡,1100多家展商,超10万观众)”收集整理!更多cnc加工中心、车铣磨钻床、线切割、数控刀...

