工程中的误工费(3 页)Good is good, but better carries it.精益求精,善益求善。工程中的误工费,应包括人工的窝工和机械台班的闲...
美籍华人在沈出车祸误工费咋算 2024 年 9 月 30 日上午,沈阳市和平区光荣街,佟某驾驶机动车行驶时,与步行的 43 岁的戴某发生交...
交通肇事误工费 交通肇事误工费 计算公式 《最高人民法院关于审理人身损害赔偿案件适用法律若干问题的解释》第 20 条规定,“误工费根...
交通事故和工伤竞合误工费可双赔吗一、交通事故和工伤竞合误工费可双赔吗 误工费是不能获得双份赔偿的,双重赔付仅限于伤残赔偿,职工因工...
误工证明范文 兹证明***(身份证号码: )系我单位员工,担任 职务。月收入为人民币(大写) 万 仟 佰 拾 元 角 分。 其因 ,于 ...
关于陪护人员误工的证明书优秀范例陪护人员误工证明(一)今有我公司职工____________因陪护住院家属,自______年______月______日至______年...
单位误工证明信范本 某 某是本单位职工。其因交通事故受伤,自 年 月 日至 年 月 日向本单位请假,未出勤。某 某每月工资为 元,...
单位误工证明 误工证明 某 某是本单位职工。其因交通事故受伤,自 年 月 日至 年 月 日向本单位请假,未出勤。某 某每月工资为 ...
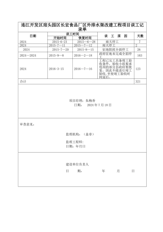
连江开发区琯头园区长宏食品厂区外排水渠改建工程项目误工记录单日期误工时间误 工 原 因天数开始时间恢复时间20242015-6-232015—6—28...
工程误工索赔申请书(都市雅居项目一、三、四地块)尊敬的湛江伟茂房地产开发有限公司廉江都市雅居项目部领导:根据廉江市雅塘镇都市雅居项...
报告XX 市城市建设投资进展有限公司:我公司中标承建的 XX 建设工程 k0+300-k1+060 段道路已在2024 年 1 月 18 日通车,k0+000—k...
1。 停工索赔,应该参照你们那里的建设工程造价依据进行赔偿,但必须有监理签过的停工,复工单,一般人员是每天每人 15 元,管理费是人工...
工程中的误工费,应包括人工的窝工和机械台班的闲置,1、人员的窝工应根据窝工人数*窝工工资*窝工天数期中窝工工资一般高于闲置人员的生活...
陪护人员误工证明兹证明___________(姓名)_____(性别),_________年_____月_____日出生,身份证号码_________________________________...
XX 市城市建设投资进展有限公司:我公司中标承建的 XX 建设工程 k0+300—k1+060 段道路已在2024 年 1 月 18 日通车,k0+000—k0+...
交通事故误工补贴 我是一名大货车司机,应车祸经医生诊断在家要修养 1 年左右,务工补贴应该赔偿多少? 我骑摩托车在路上正常行驶,一辆...
2024 年误工证明范本误工证明格式 3 篇 一、医院出具的休假证明。 二、单位出具的误工削减证明,包括误工时间,月收入,削减收入证明...
.GA/T 521—2004人身损害受伤人员误工损失日评定准则公安部1范围本标准规定了人体损伤后受伤人员误工损失日评定的原则、方法和内容。本标...
下载后可任意编辑误工赔偿协议书范本甲方: 乙方: 签订地点: 签订时间: 合同编号: 下载后可任意编辑误工赔偿协议书范本 篇一:误...
本文极具参考价值,如若有用请打赏支持我们!不胜感激!误工索赔申请书范本【推荐下载】工程延误,可能会给不少人带来很严重的损失,如果对...

