互换性与测量技术(基础)
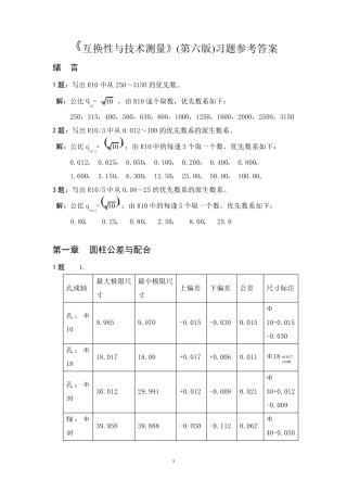
1 《互换性与技术测量》(第六版)习题参考答案 绪 言 1 题:写出R10 中从250~3150 的优先数。 解:公比q10= 1 0 1 0 ,由R10...
互换性与技术测量课堂笔记
第五部分 互换性与技术测量课程实验 实验十九 轴孔测量实验 实验二十 表面粗糙度测量实验 实验二十一 形位误差测量实验 实验二十二...
第四章 习题: 4 —1 技术要求→图样标注: 1 、 正确标注: 2 、其他正确标注和错误标注 4 —2 技术要求→图样标注: 1 、...
2 尺寸公差与形位公差习题 一、判断题 〔正确的打√,错误的打X〕 1.公差可以说是允许零件尺寸的最大偏差。( ×) 2.基本尺寸不同...
第 1 页 共 页 互 换 性 技 术 测 量 试 题 与 答 案 ( 共 3 套 ) 试 题 部 分 第 一 套 一、 填空题 1...
第 1 页 共 页 -------理工大学 一、 填空题 1.轴的基本偏差代号为________~________时,与基准孔配合形成间隙配合。 2.孔和...
第 1 页 共 页 思南理工大学 一、 填空题 1.轴的基本偏差代号为________~________时,与基准孔配合形成间隙配合。 2.孔和轴的...
第 1 页 共 页 思南理工大学 一、 填空题 1.轴的基本偏差代号为________~________时,与基准孔配合形成间隙配合。 2.孔和轴的...
第 1 页 共 页 一、 填空题 1.轴的基本偏差代号为________~________时,与基准孔配合形成间隙配合。 2.孔和轴的公差带由______...
第 1 页 共 2 6 页 互换性与技术测量知识点 第 1 章 绪言 互换性是指在同一规格的一批零、部件中任取一件,在装配时不需经过任...
互换性与技术测量实验
课 程 名 称(互换性与技术测量) 学年度第 下 学期 题号 一 二 三 四 五 六 七 八 九 十 总 分 得分 一、填空:(共...
1 互换性预测题 一、 判断题 01.( )为使零件的几何参数具有互换性,必须把零件的加工误差控制在给定的范围内。 02.( )公差是...
课后作业题答案(未讲内容不要求): P39 第1 章课后作业 1 .1 (1 )正确。原因:一般情况下,实际尺寸越接近基本尺寸说明制造的误...
课后作业题答案 第1 章课后作业 1.1 (1)正确。原因:一般情况下,实际尺寸越接近基本尺寸说明制造的误差越小。 (2)错误。原因:规...
习 题 1 1.1 判断下列说法是否正确 1. 一般来说,零件的实际尺寸愈接近公称尺寸愈好。(×) 2. 公差通常为正,在个别情况下也可以...
习 题 1 1.1 判断下列说法是否正确 1. 一般来说,零件的实际尺寸愈接近公称尺寸愈好。(×) 2. 公差通常为正,在个别情况下也可以...
P39 第 1 章课后作业 1.1 (1)正确。原因:一般情况下,实际尺寸越接近基本尺寸说明制造的误差越小。 (2)错误。原因:规定的是公...

