沪 汉 蓉 通 道 合 肥 至 武 汉 铁 路 ( DK59+949~ DK78+360 段 ) 路基沉降观测及变形观测实施方案 编 制 : 复 ...
综合管廊裂缝及变形缝渗漏修补方案 编制:_ _ _ _ _ _ _ _ _ _ _ _ _ _ _ 审阅:_ _ _ _ _ _ _ _ _ _ _ _ _ ...
下载后可任意编辑和生市场施工电梯基础下沉变形专项修复加固方案编制人审核人审批人福建华航建设公司西安和生市场项目部二〇一一年九月下载...
下载后可任意编辑提要:该文针对工程建筑物变形观测中的若干问题,从变形量测定精度的确定、变形观测周期的选取以及变形观测点的布设三个方...
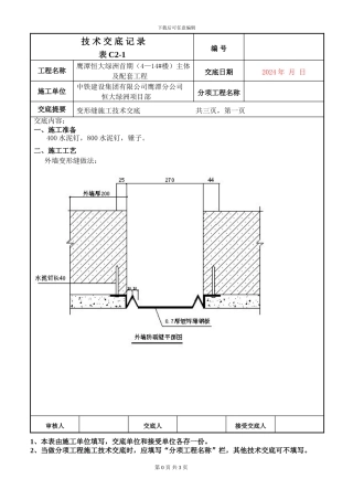
下载后可任意编辑1、本表由施工单位填写,交底单位和接受单位各存一份。2、当做分项工程施工技术交底时,应填写“分项工程名称”栏,其他技...
下载后可任意编辑 京沪高速铁路线下工程 沉降变形观测及评估实施方案1下载后可任意编辑二〇〇八年五月第一章 总则为指导京沪高速铁路做...
下载后可任意编辑6 桥涵工程沉降变形观测技术要求6.1观测点的设置原则6.1.1 一般每个桥墩均设置承台观测标、墩身观测标。6.1.2 承台观测...
初始课数4 13 20 14 21 19 29 30 37 词形变化ます形(连用形)基本形(字典形)て形た形ない形(未然形 )命令形意志形((よ)う...
动词变形动词ます形一类动词 : 将结尾假名变成它同行的い段上的假名后+ます二类动词 : 去る+ます三类动词 : 来(く)る→来(き)ま...
初级动词变形练习名前原形ます形て形た形ない形飛とぶ呼よぶ遊あそぶ浮うかぶ選えらぶ転ころぶ叫さけぶ並ならぶ運はこぶ学まなぶ結むすぶ喜...
分类字典形ます形て形ない形I 类行(い)く行きます行って行かないI 类会(あ)う会います会って会わないI 类洗(あら)う洗います洗っ...
给水排水工程混凝土构筑物变形缝设计规程
第四章 土的压缩性与地基变形计算 第一节 土的压缩性 一、名词解释 1.土的压缩性:土体在压力作用下体积减小的性质。 2.压缩定律:...
1 第六章 地基变形计算 一、单项选择题 1. 下述关于土体压缩性描述正确的是 。 (A) 压缩系数 a 越大,压缩模量 Es 越小,压缩...
下载后可任意编辑3 变形测量施工工艺标准1.1适用范围本工艺适用于工业与民用建筑变形观测的实施。1.2施工准备1.2.1技术准备:1.2.1.1熟悉...
热 处 理 变 形 工件的热处理变形—主要是由于热处理应力造成的。工件的结构形状、原材料质量、热处理前的加工状态、工件的自重以及工...
烟包印刷品卷曲变形控制浅谈(.txt22真诚是美酒,年份越久越醇香浓型;真诚是焰火,在高处绽放才愈是美丽;真诚是鲜花,送之于人手有余香。...
浅谈钢结构变形的控制 由于现今钢结构发展极其快速,各种焊接机械、焊接方法日新月异。但在施工过程中,由于焊接过程中产生的内应力和焊接...
浅谈数学中的变形技巧
变形监测定义是指对被监测的对象或物体进行测量以确定其空间位置几内部形态随时间的变化特征.变形监测的目的1〕分析和评价建筑物的平安状态...

