电脑桌面
添加小米粒文库到电脑桌面
安装后可以在桌面快捷访问

6-桥涵工程沉降变形观测技术要求VIP免费

6-桥涵工程沉降变形观测技术要求_第1页
1/6
6-桥涵工程沉降变形观测技术要求_第2页
2/6
6-桥涵工程沉降变形观测技术要求_第3页
3/6
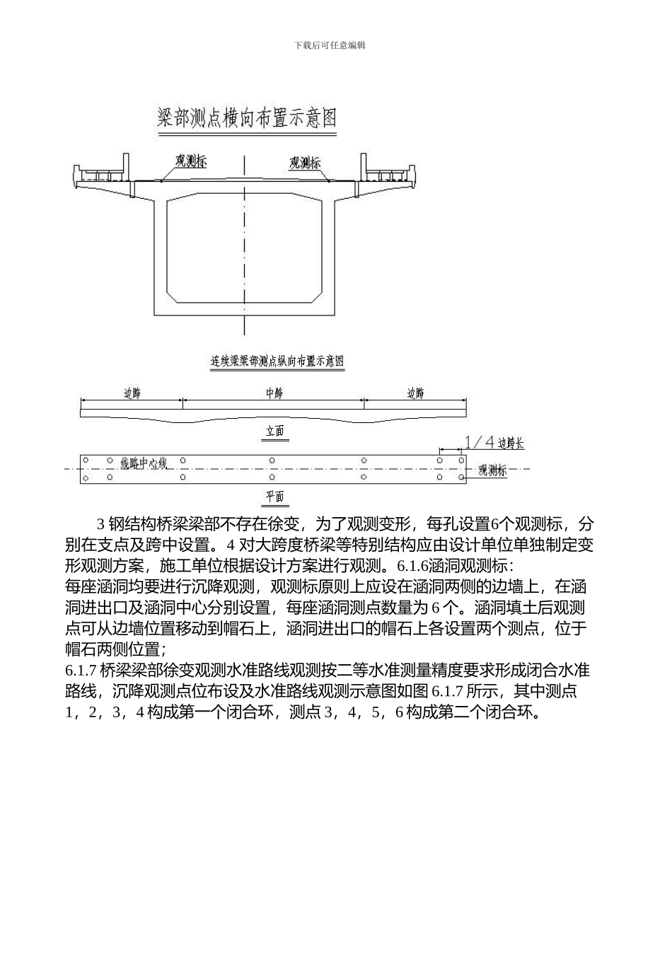
下载后可任意编辑6 桥涵工程沉降变形观测技术要求6.1观测点的设置原则6.1.1 一般每个桥墩均设置承台观测标、墩身观测标。6.1.2 承台观测标: 设置两个观测标,观测标-1 设置于底层承台左侧小里程角上,观测标-2 设置于底层承台右侧大里程角上。承台观测标为临时观测标,当墩身观测标正常使用后,承台观测标随基坑回填将不再使用。6.1.3 墩身观测标: 1 观测点数量每墩不少于 2 处,位于墩身两侧; 2 桥墩标一般设置在墩底高出地面或水位0.5m 左右。当墩身较矮立尺困难时,桥墩观测标位置可降低或设置在对应墩身埋标位置的顶帽上。特别情况可根据确保观测精度、观测方便、利于测点保护的原则,确定相应的位置。桥墩上观测标的具体设置位置见下图: 图6.1.3 承台与墩身观测标设置6.1.4 桥台观测标: 原则上应设置在台顶(台帽及背墙顶),测点数量不少于4处,分别设在台帽两侧及背墙两侧(横桥向)。6.1.5 梁体观测标: 1 对原材料变化不大、预制工艺稳定、批量生产的预应力混凝土预制梁,前3孔逐孔进行观测,以后每30孔选择1孔观测。当实测弹性上拱度大于设计值的梁,前后未观测的梁应补充观测标,逐孔进行观测;其余现浇梁逐孔设置观测标。移动模架施工的梁,对前6孔逐孔进行重点观测,以验证支架预设拱度的精度。验证达到设计要求后,可每10孔选择1孔设置观测标,当实测弹性上拱度大于设计值的梁,前后未观测的梁应补充观测标,逐孔进行观测。2 观测点布置简支梁的一孔梁设置观测标 6 个,分别位于两侧支点及跨中;连续梁上的观测标,根据不同跨度,分别在支点、中跨跨中及边跨 1/4 跨中附近设置,3 跨以上连续梁中跨布置点相同,详见附图。下载后可任意编辑3 钢结构桥梁梁部不存在徐变,为了观测变形,每孔设置6个观测标,分别在支点及跨中设置。4 对大跨度桥梁等特别结构应由设计单位单独制定变形观测方案,施工单位根据设计方案进行观测。6.1.6涵洞观测标: 每座涵洞均要进行沉降观测,观测标原则上应设在涵洞两侧的边墙上,在涵洞进出口及涵洞中心分别设置,每座涵洞测点数量为 6 个。涵洞填土后观测点可从边墙位置移动到帽石上,涵洞进出口的帽石上各设置两个测点,位于帽石两侧位置;6.1.7 桥梁梁部徐变观测水准路线观测按二等水准测量精度要求形成闭合水准路线,沉降观测点位布设及水准路线观测示意图如图 6.1.7 所示,其中测点1,2,3,4 构成第一个闭合环,测点 3,4,5,6 构成第二个闭合环。下...

1、当您付费下载文档后,您只拥有了使用权限,并不意味着购买了版权,文档只能用于自身使用,不得用于其他商业用途(如 [转卖]进行直接盈利或[编辑后售卖]进行间接盈利)。
2、本站所有内容均由合作方或网友上传,本站不对文档的完整性、权威性及其观点立场正确性做任何保证或承诺!文档内容仅供研究参考,付费前请自行鉴别。
3、如文档内容存在违规,或者侵犯商业秘密、侵犯著作权等,请点击“违规举报”。

碎片内容

6-桥涵工程沉降变形观测技术要求

确认删除?
VIP
微信客服
  • 扫码咨询
会员Q群
  • 会员专属群点击这里加入QQ群
客服邮箱
回到顶部