?激励机制?员工激励机制?组织目标体系?诱导因素集合?个人因素集合?激励机制作用性质?激励机制的设计?激励机制模型中的三条通路?激励机制的...
高中物理模块化复习学生学案专题一滑块与木板一应用力和运动的观点处理(即应用牛顿运动定律)典型思维方法:整体法与隔离法注意运动的相对...
滑块模型的位置关系及解题方法高中物理涉及到物体的运动过程的研究,搞清楚物体的位置关系很重要,小举一例,以作参考:【例】如图1所示,...
欢迎共阅游乐园客流疏导方案模型结构问题一:在给定游客达到(游乐园入口)流的前提下,针对游乐园固定游乐设施与游玩路线,构建系统仿真模型...
DMD课程精髓:1、从管理者的角度去分析问题,不要陷入数据处理中;2、数据分析需要和经验相匹配,数据为管理和决策提供服务。3、东西方的差...
山东理工大学毕业设计(论文)题目:混合线性模型参数估计与检验研究学院:理学院专业:统计学学生姓名:刘美倩指导教师:范红玲林鹏毕业设...
深圳碳中和(CBN)生物燃气价值工程模型与可持续发展理论可持续发展理论目录1可持续发展思潮探源与沿革2全球具有较大影响的几类可持续发展...
管理战略管理6大工具---波特五力分析模型(一)简介麦克尔·波特(MichaelPorter)于80年代初提出,对企业战略制定产生全球性的深远影响。用...
Chapter6StrategicInformationSystem:InformationTechnology’sApplicationforEnterpriseStrategy.波特的價值鏈模型(Porter’sValue-Chain...
设备型号:BM-1068总体技术指标1-1、用途摩托车覆盖件检测及测绘;车身检测;模具检测;工装夹具调整及测量;复杂曲面件测绘;摩托车设计;...
玻尔的原子模型三维教学目标1、知识与技能(1)了解玻尔原子理论的主要内容;(2)了解能级、能量量子化以及基态、激发态的概念。2、过程与...
1汽车在恒定功率下的加速运动模型上海市五爱高级中学诸庭飞摘要本文用数学分析方法讨论了高中物理教学中汽车在恒定功率下加速运动的传统模...
一、高中物理主要是学习应用模型方法来解决问题(一)建立“物理模型”是物理学最重要和有效的研究方法理想化的物理对象模型实际问题的过程...
307《商场现代化》2009年1月(上旬刊总第562期一、引言近年来,随着企业日益重视人力资源管理的科学化和系统化,胜任力模型在企业中得到了广泛...
实用标准文案精彩文档永磁同步电机的数学模型及矢量控制原理实用标准文案精彩文档实用标准文案精彩文档实用标准文案精彩文档实用标准文案精...
第三章水轮机调节系统数学模型的建立为使水轮机调节系统具备优良的动态性能,需要运用自动控制理论对水轮机调节系统进行分析研究。水轮机调...
教育文档水资源系统分析数学模型水资源系统数学模型在水资源的系统分析中起着十分重要的作用。水资源系统的数学模型一般包括决策变量、约束...
1997年3月水利学报SHUILIXUEBAO第3期水电站水库实时优化调度模型及其应用Ξ邱林(华北水利水电学院水利系陈守煜(大连理工大学土木系提要基于...
独创性声明本人郑重声明:所呈交的论文是我个人在导师指导下进行的研究工作及取得的研究成果。尽我所知,除了文中特别加以标注和致谢的地方外...
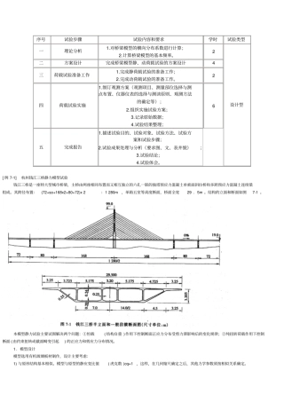
序号试验步骤试验内容和要求学时试验类型一理论分析1.对桥梁模型的横向分布系数进行计算;2.计算桥梁模型的基本频率。2设计型二方案设计完...

