物业接管验收规程1.0目的本规程就盛全物业(以下简称本公司)接管物业的验收标准、检验方法及遗留问题处理作出规定,使物业接管验收项目齐...
1.1.1 发电机变压器组继电保护1.1.1.1 G3 发电机变压器组继电保护序号保护名称互感器保护动作范围动作开关及信号1发电机差动差动15000/5...
第 5 章 机械加工工艺规程的制定复习题 1. 单项选择1-1 重要的轴类零件的毛坯通常应选择( )。① 铸件 ② 锻件 ③ 棒料 ④ ...
电力建设安全工作规程 第 1 部分:火力发电厂DL5009.1-2002中华人民共和国国家经济贸易委员会 2002-09-16 批准 2002-12-01 实...
前 言根据公司标准化工作要求,为适应电站现代化管理和发展的需要,规范公司生产设备检修管理工作,特制定《光伏电站电气设备检修规程》。...
目 录第一章 概 况..................................................................................3第一节 概 述................
国家电网公司电力安全工作规程(线路部分)2009 年 7 月目 录1 总则..............................................32 保证安全的组...
摘 要本次毕业设计的主要内容是机械加工工艺规程编制和工序专用夹具设计。我能综合运用机械制造技术基础和其它课程的基本理论和方法,为了...
前 言修订后的《煤矿安全规程》(国家安全监管总局令第 87 号)已于 2016 年 2 月 25 日发布,自 2016 年 10 月 1 日起施行...
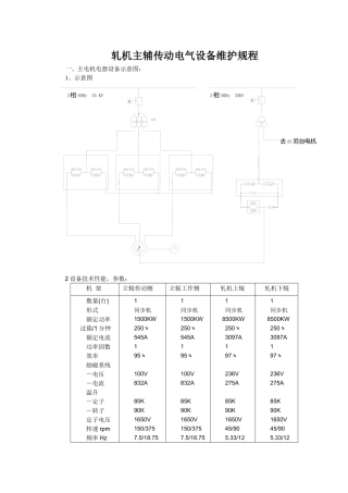
~3MM<1>去 R1 另台电机M3 相 50Hz 35 KV3 相 50Hz 35KV轧机主辅传动电气设备维护规程一、主电机电器设备示意图:1、示意图2 设备...
大同煤矿集团公司采掘作业规程管理办法及编制指南生产技术部 二○○五年一月八日第一篇 总 则 第一条 为了规范大同煤矿集团公司采掘作...
10kV 配电设备现场运行规程版本号[1.0]前 言随着经济的飞速发展,城市建设和城市电网建设的步伐不断加快。为满足城市建设的需要,每年城...
露天采矿工艺技术规程1 范围一、本规程规定了露天矿开采基本原则、露天矿境界及矿床开拓、穿孔和爆破工艺、采矿和采装工艺、矿山运输工艺...
起重机械型式试验规程(试行) 第一条 为加强起重机械安全监察工作 规范起重机械型式试 验 提高试验工作质 量 根据 特种设备安全监察...
运行维护规程应急通信设备分册中国联合网络通信集团有限公司二零一三年七月目 录第一章总则...............................................
前 言根据公司标准化工作要求,为适应电站现代化管理和发展的需要,规范公司生产设备检修管理工作,特制定《光伏电站电气设备检修规程》。...
第一章 概 况第一节 工作面位置及井上下关系 工作面位置及井上下关系 表一第二节 煤 层 煤层情况表 表二煤层厚度( m )1.50 ~...
ZSH目 录第一编 总则......................................................4第二编 地质保障.........................................
煤矿安全规程国 家 安 全 生 产 监 督 管 理 局国 家 煤 矿 安 全 监 察 局目 录第一编 总则...........................
宁夏宁电硅材料有限公司电气设备检修工艺规程(试行)检修部电气班2011 发布2011 实施宁夏宁电硅材料有限公司检修部发布前 言本规程根据变...

