赛维LDK太阳能高科技(合肥)有限公司文件编号文件名称扩散CT工艺规程生效日期2011-01-06页码第1页共10页1、目的:建立正确操作扩散CT扩散...
16安徽昊源化工集团有限公司AnHuiHaoYuanChemicalGroupCo.HLtd.园区DCS系统管理规程(试行)本标准由安徽昊源化工集团有限公司提出本标准起...
汽动给水泵检修工艺规程第一节:汽动给水泵技术规范、前置泵型号1ZB253-640流量1324.8m3/h转速1490r/min扬程136m轴功率530KW生产厂家上海电...
阿戛煤矿2202采煤工作面回采作业规程编制:技术科施工:矿采煤队负责:张周成总工:简训贵矿长:鲍忠合编制时间:2010年10月20日目录第一章编写...
微生物检验知识8第二节玻璃器皿的清洗操作一、新玻璃器皿的清洗新购置的玻璃器皿含有游离碱,应用2%的盐酸溶液浸泡数小时,再用水充分冲洗...
1《微波烟包水分仪检定规程》项目实验报告作为《微波烟包水分仪检定规程》项目的承担单位,上海烟草(集团)公司对规程的操作可行性,规程...
================精选公文范文,管理类,工作总结类,工作计划类文档,欢迎阅读下载==============微油点火系统规程微油点火系统规程第一篇...
......学习参考一、开闭所巡检维护流程1、到达现场进入开闭所前,先打开大门通风2~3分钟,进入开闭所时先确认巡检现场作业条件有无安全隐...
........参考.资料一、开闭所巡检维护流程1、到达现场进入开闭所前,先打开大门通风2~3分钟,进入开闭所时先确认巡检现场作业条件有无安全...
1总责1.0.1为规范工程造价咨询企业及其咨询人员的建设工程造价鉴定活动,严格鉴定程序,提高工程造价鉴定成果质量,根据《中华人民共和国建...
建设工程全过程造价监控工作规程目录一、总则二、造价监控服务阶段三、业务工作程序四、建设项目全过程造价管理的工作内容五、建设项目全过...
1成套配电柜(盘)、控制柜(屏、台)和动力、照明配电箱(盘)安装1.1设备及主要材料1.1.1设备应符合设计要求及现行国家、行业标准,并有...
《建筑玻璃应用技术规程》JGJ113-2009及相关规范内容解读2009年7月9日住建部第347号公告批准《建筑玻璃应用技术规程》为行业标准,编号为JG...
·1·附件1:DB32江苏省地方标准DB32/186—1998建筑消防设施技术检验规程××××-××-××发布××××-××-××实施江苏省技术监督局发...
三、建筑机械技术试验规程第一章总则1第二章动机机械1第一节内燃机1第二节空气压缩机3第三节液压系统4第三章电气装置4第一节发电机4第二节...
建筑机械使用安全技术规程
建筑机械使用安全技术规程(JGJ33节选)第三部分安全操作规程一、塔式起重机拆装安全操作规程⋯⋯⋯⋯⋯⋯⋯⋯⋯⋯⋯⋯⋯⋯⋯⋯⋯⋯⋯⋯194...
1.1本规程适用于南京市建(构)筑物的竣工测量及建筑面积计算,建(构)筑物的建筑面积计算以竣工测量的实测数据进行建筑面积核实计算。1.2...
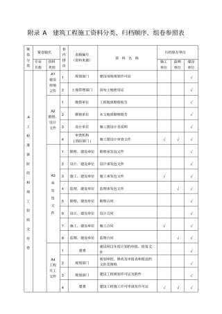
附录A建筑工程施工资料分类、归档顺序、组卷参照表案卷分类案卷题名卷内排序表格编号(资料来源)资料名称归档保存单位专业名称资料类别施...
JGJ120-2012建筑基坑支护技术规程应知条文必会条文(1)土钉是设置在基坑侧壁土体内的承受拉力与剪力的杆件。(2)基坑支护设计应规定其设...

