下载后可任意编辑钢化玻璃检验法律规范1 范围本标准规定了钢化玻璃的分类、技术要求、检验方法和检验规则。适用于建筑、工业装备等建筑以...
下载后可任意编辑质量控制在临床免疫检验中的现实作用讨论质量控制在临床免疫检验中的现实作用讨论 李芳 【摘 要】目的:观察临床免疫检...
混 凝 土 预 制 桩 工 程 检 验 批 质 量 验 收 记 录 表GB50202 — 2002 (Ⅱ ) 010403□□单位(子单位)工程名称...
商品混凝土进场验收记录工程名称开盘起止时间年月日时~ 月日时工程部位浇筑方式设计塌落度计划方量 m3 m3试块制作情况标养组天气情况配...
混凝土膨胀剂混凝土膨胀剂检验方法版权所有:北京海岩兴业混凝土外加剂有限公司实验室网址:联 系方式:查询登陆“百度”或其他搜索引擎输...
1 / 3 泰州市兴园预制构件有限公司管 桩 出 厂 检 验 结 果 汇 总序号检验项目检 验 内 容计量单位标 准 要 求检测结果...
混凝土灌注桩钢筋笼检验批质量验收记录(GB50202-2002) 表编号: 010405□□□(1)工程名称分项工程名称项目经理施工单位验收部位施工执行...
混 凝 土 灌 注 桩 ( 钢 筋 笼 ) 工 程 检 验 批 质 量 验 收 记 录 表GB50202 — 2002 (Ⅰ ) 010203□□010...
混凝土灌注桩检验批质量验收记录(GB50202-2002) 表 5.6.4-2编号: 010405□□□ (2)工程名称分项工程名称项目经理施工单位验收部位施工...
混凝土灌注桩工程检验批质量验收记录表GB50202- 2002 (Ⅱ)010405 单位(子单位)工程名称分部(子分部)工程名称验收部位施工单位项目...
混凝土灌注桩分项工程检验批质量验收记录鲁 ZJ—043 工程名称检验批部位施工执行标准名称及编号施工单位项目经理专业工长分包单位分包项...
混凝土施工检验批质量验收记录表010603
混凝土施工检验批质量验收记录表单位(子单位)工程名称梁家沟煤矿污水处理站分部(子分部)工程名称主体验收部位施工单位山西中威水处理技...
v1.0 可编辑可修改1 石城县方正建筑工程质量检测有限公司混凝土抗压强度检验报告工程编码报告编号HUN2014-2527委托单位江西富利建筑装饰...
混 凝 土 强 度 检 验 评 定 表(非 统 计 法)质控(建)表 4.1.9 -4 工 程 名 称1# 、2# 楼结构部位地基与基础施工...
混凝土垫层工程检验批质量验收记录表工 程 名 称濉溪县开发区王引河路污水管网对接工程施 工 单 位安徽凤阳龙兴建设工程有限公司单位...
混凝土坍落度平行检验记录工程名称记录单位混凝土浇筑部位浇筑方量( m3)商品混凝土厂家总车次合格证明书编号配合比坍落度值外加剂名称序...
. . WORD. 格式整理 . . . .专业 .知识 .分享 . . 混凝土原材料及配合比检验质量标准和检验方法项目序号检查项目检验标准检查...
混 凝 土 原 材 料 及 配 合 比 设 计 检 验 批 质 量 验 收 记 录 表GB50204 — 2002 ( Ⅰ )010603□□02010...
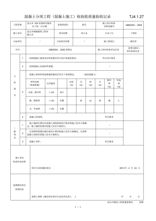
1 / 1 混凝土分项工程(混凝土施工)检验批质量验收记录TJ4.1.27工程名称昆山市 224 省道周市服务区工程办公楼检验批部位桩芯施工执行...

