电脑桌面
添加小米粒文库到电脑桌面
安装后可以在桌面快捷访问

混凝土原材料和配合比检验质量标准及检验方法

混凝土原材料和配合比检验质量标准及检验方法_第1页
1/12
混凝土原材料和配合比检验质量标准及检验方法_第2页
2/12
混凝土原材料和配合比检验质量标准及检验方法_第3页
3/12
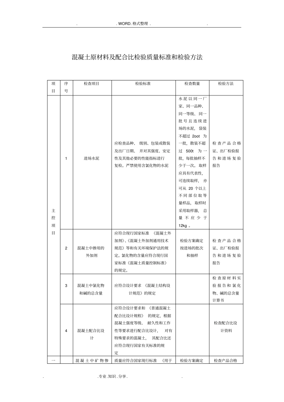
. . WORD. 格式整理 . . . .专业 .知识 .分享 . . 混凝土原材料及配合比检验质量标准和检验方法项目序号检查项目检验标准检查数量检验方法主控项目1 进场水泥应检查品种、 级别、包装或散装及出厂日期、 并对其强度、安定性及其他必要的性能指标进行复检。严禁使用含氯化物的水泥水 泥 以 同 一 厂家、同一品种、同一等级、 同一批 号 且 连 续 进场的水泥, 袋装不超过 2oot为一批,散装不超过500t为 一批,每批抽样不少于一次。 取样应具有代表性,可连续取样, 亦可从 20 个以上不 同 部 位 取 等量样品, 取样时采用取样器, 总量 不 应 少 于12kg 。检 查 产 品 合 格证、出厂检验报告 和 进 场 复 验报告2 混凝土中掺用的外加剂应符合现行国家标准 《混凝土外加剂》、《混凝土外加剂通用技术规范》等和有关环境保护法的规定。氯化物的含量应符合现行国家标准《混凝土质量控制标准》的规定。检验方案确定按进场的批次和抽样检 查 产 品 合 格证、出厂检验报告 和 进 场 复 验报告3 混凝土中氯化物和碱的总含量应符合设计要求 《混凝土结构设计规范》的规定检 查 原 材 料 实验 报 告 和 氯 化物、碱的总含量计算书4 混凝土配合比设计应符合设计要求和 《普通混凝土配合比设计规程》 的规定,根据混凝土强度等级、 耐久性和工作性等要求进行配合比设计,对有特殊要求的混凝土, 其配合比还应符合现行国家有关标准的规定检查配合比设计资料一混 凝 土 中 矿 物 惨质量应符合国家现行标准《用于检验方案确定检查产品合格. . WORD. 格式整理 . . . .专业 .知识 .分享 . . 般项目1 合料水泥和混凝土中的粉煤灰》的规定,掺量应通过试验规定按进场的批次和抽样证和进场复验报告2 普通混凝土中用粗、细骨料质量应符合国家现行标准《普通混凝土用碎石或卵石质量标准及能检验方法》 、《普通混凝土用砂质量标准及检验方法》的规定检验方案确定按进场的批次和抽样检查进场复验报告3 拌制混凝土的水宜采用饮用水、 当采用其他水源时、水质应符合国家现行标准《混凝土拌合用水标准》的规定同一水源检查不少于一次检查水质试验报告4 首次使用的混凝土配合比应进行开盘鉴定, 其工作性应满足设计配合比的要求开始生产时, 至少留一组标养试块为验证配合比的依据检 查 开 盘 鉴 定资 料 和 试 件 强度试验报告5 砂、石含水率混凝...

1、当您付费下载文档后,您只拥有了使用权限,并不意味着购买了版权,文档只能用于自身使用,不得用于其他商业用途(如 [转卖]进行直接盈利或[编辑后售卖]进行间接盈利)。
2、本站所有内容均由合作方或网友上传,本站不对文档的完整性、权威性及其观点立场正确性做任何保证或承诺!文档内容仅供研究参考,付费前请自行鉴别。
3、如文档内容存在违规,或者侵犯商业秘密、侵犯著作权等,请点击“违规举报”。

碎片内容

混凝土原材料和配合比检验质量标准及检验方法

文库响当当+ 关注
实名认证
内容提供者

该用户很懒,什么也没介绍

确认删除?
VIP
微信客服
  • 扫码咨询
会员Q群
  • 会员专属群点击这里加入QQ群
客服邮箱
回到顶部