电脑桌面
添加小米粒文库到电脑桌面
安装后可以在桌面快捷访问

混凝土管桩出厂检验报告

混凝土管桩出厂检验报告_第1页
1/3
混凝土管桩出厂检验报告_第2页
2/3
混凝土管桩出厂检验报告_第3页
3/3
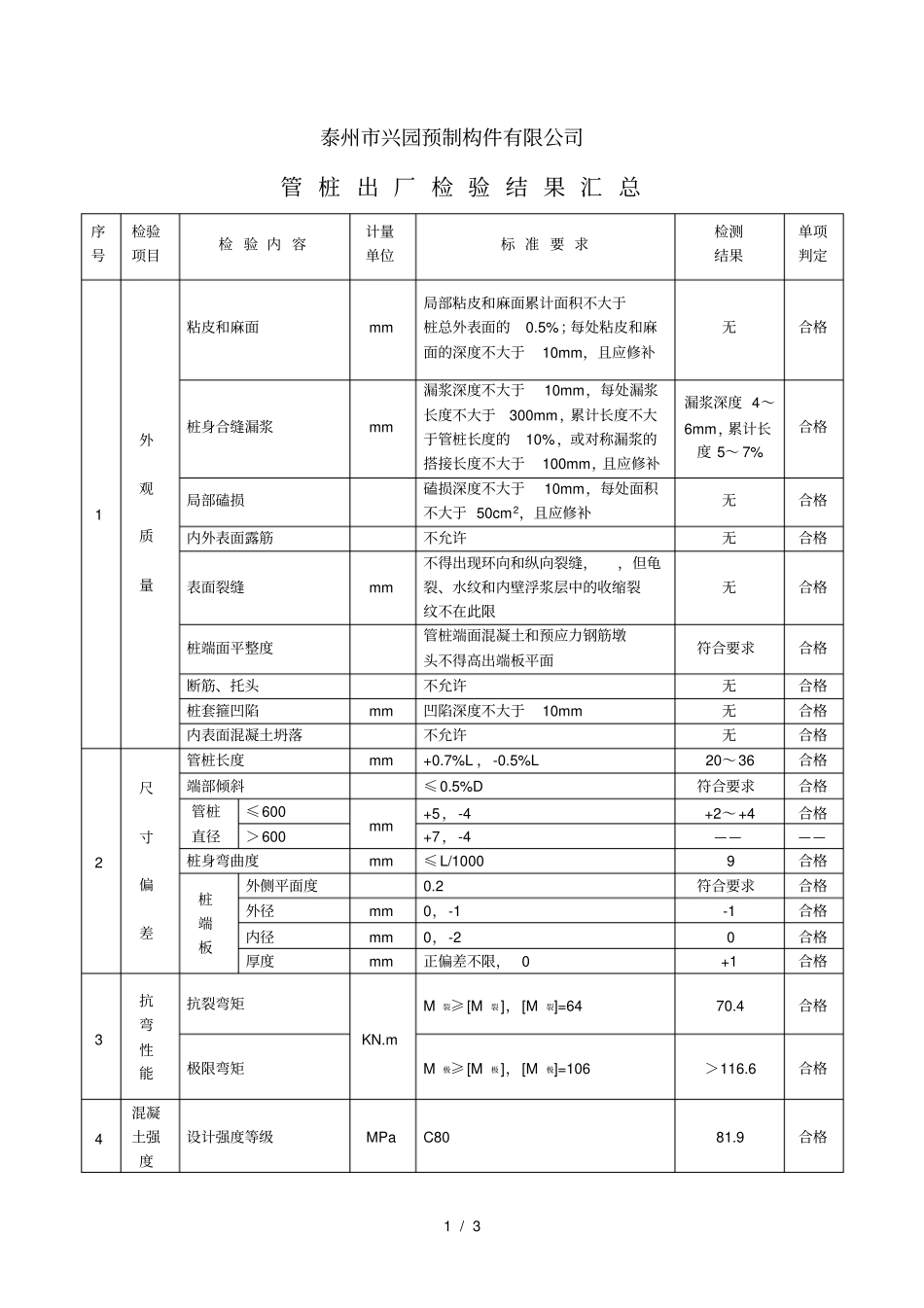
1 / 3 泰州市兴园预制构件有限公司管 桩 出 厂 检 验 结 果 汇 总序号检验项目检 验 内 容计量单位标 准 要 求检测结果单项判定1 外观质量粘皮和麻面mm 局部粘皮和麻面累计面积不大于桩总外表面的0.5%;每处粘皮和麻面的深度不大于10mm,且应修补无合格桩身合缝漏浆mm 漏浆深度不大于10mm,每处漏浆长度不大于300mm,累计长度不大于管桩长度的10%,或对称漏浆的搭接长度不大于100mm,且应修补漏浆深度 4~6mm,累计长度 5~ 7% 合格局部磕损磕损深度不大于10mm,每处面积不大于 50cm2,且应修补无合格内外表面露筋不允许无合格表面裂缝mm 不得出现环向和纵向裂缝,,但龟裂、水纹和内壁浮浆层中的收缩裂纹不在此限无合格桩端面平整度管桩端面混凝土和预应力钢筋墩头不得高出端板平面符合要求合格断筋、托头不允许无合格桩套箍凹陷mm 凹陷深度不大于10mm 无合格内表面混凝土坍落不允许无合格2 尺寸偏差管桩长度mm +0.7%L ,-0.5%L 20~36 合格端部倾斜≤0.5%D 符合要求合格管桩直径≤600 mm +5,-4 +2~+4 合格>600 +7,-4 ————桩身弯曲度mm ≤L/1000 9 合格桩端板外侧平面度0.2 符合要求合格外径mm 0,-1 -1 合格内径mm 0,-2 0 合格厚度mm 正偏差不限, 0 +1 合格3 抗弯性能抗裂弯矩KN.m M裂≥[M裂],[M裂]=64 70.4 合格极限弯矩M极≥[M极],[M极]=106 >116.6 合格4 混凝土强度设计强度等级MPa C80 81.9 合格2 / 3 泰州市兴园预制构件有限公司管 桩 出 厂 检 验 报 告产品名称先张法预应力混凝土管桩规格型号PHC400-95 (AB ) -C80 生产单位泰州市兴园预制构件有限公司生产日期2018 年 06 月 20 日至 2018 年 6 月 30 日检验地点公司试验场检验人员沙威伟、甫国祥样品基数600 根样品数量10 根检验日期2018 年 07 月 25 日检验类别出厂检验检验项目外观质量、尺寸偏差、抗弯性能、混凝土强度检验结果详见续页检测和判定依据GB/T 13476-2009《先张法预应力混凝土管桩》检验结论本次检验共检4 项,合格 4 项。检验单位:泰州市兴园预制构件有限公司质检科签发日期: 2018 年 07 月 25 日备注批准:审核:试验人员:3 / 3 预 应 力 混 凝 土 管 桩出厂检验报告产品名称:先张法预应力混凝土管桩规格型号:PHC400-95(AB)-C80 生产单位:泰州市兴园预制构件有限公司

1、当您付费下载文档后,您只拥有了使用权限,并不意味着购买了版权,文档只能用于自身使用,不得用于其他商业用途(如 [转卖]进行直接盈利或[编辑后售卖]进行间接盈利)。
2、本站所有内容均由合作方或网友上传,本站不对文档的完整性、权威性及其观点立场正确性做任何保证或承诺!文档内容仅供研究参考,付费前请自行鉴别。
3、如文档内容存在违规,或者侵犯商业秘密、侵犯著作权等,请点击“违规举报”。

碎片内容

混凝土管桩出厂检验报告

确认删除?
VIP
微信客服
  • 扫码咨询
会员Q群
  • 会员专属群点击这里加入QQ群
客服邮箱
回到顶部