模具滑块机构的经典设计
冲压模具点检及维护保养规范 1 范围 本标准规定了汽车冲压模具点检及维护保养的要求。 本标准适用于冲压车间模具的点检及维护保养。 2...
颜 色颜 色红 色白 色黄 色黑 色 联恒工业(上海)有限公司5. 客户有指定涂装标准时,遵照客户要求标准进行涂装6. 各部位涂装要领...
模具注塑时的缺点及解决方法 纠正模具注塑的缺点: 注射模塑缺点和反常现象最终集中在注塑制品的质量上反映出来。注塑制品缺点可分成下列...
模具检验验证规范 NJSC/GL11-2014 编 制: 审 核: 批 准: 日 期: 2 0 1 4 年3 月3 1 日 南京 X X X X 有限公司...
模具标准件数据手册
模具检验标准
Page 1 of 17 Document Approved By: Daryl Pallas SDE67.wps Revision Date: 7/19/01 Table of Contents I. Purpose 目...
序号检验项目名称 检验内容 检验方式检验工具判定方式检验依据图片说明1标准模胚/免检/1、供应商提供质量保证书;外观(生锈,碰伤等缺陷)...
模具材料选用
材料知识强化-1 机械性能回顾 PEAC 开头语 为什么说材料选择与热处理知识的重要? 1、《模具制造工》中级 P67:模具失效的主要原因是...
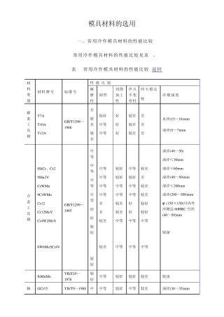
模具材料的选用 一、常用冷作模具材料的性能比较 常用冷作模具材料的性能比较见表1。 表1 常用冷作模具材料的性能比较 返回 材料类别...
1、模具及模具材料一般可以分哪几类? 答:按照模具的工作条件分三类:冷作模具、热作模具、成形模具 模具材料分类:(1)模具钢:冷作模...
钢材类型 钢材名称 应用 塑胶模具钢 MEK 4 高耐磨高韧性之塑胶模 X13T6W (236) 高耐磨高耐腐蚀镜面模具 X13T6W(236H) 高耐磨高...
模具材料与寿命复习题 一、单项选择题 1、模具寿命与产品成本的正确关系是(C) A、模具寿命越长,产品成本越高 B、模具寿命中等时,产品...
一、单项选择题 1、模具寿命与产品成本的正确关系是(C) A. 模具寿命越长,产品成本越高 B. 模具寿命中等时,产品成本最低 C. 模具寿...
第一章 模具机械加工的基本理论 一、填空题 1、模具的生产过程由 ﹑ ﹑ ﹑ ﹑ 组成。 2、表面冷压加工强化工艺是以降低表面粗糙度...
模具术语英文翻译 根据国家标准,以下为部分塑料模具成形术语的标准翻译。 动模 Movable Mould Moving Half 定模座板 Fixed Clamp...
英 文中 文英 文中 文abrasive grinding强 力 磨 削alternativelyad. 做 为 选 择 , 也 许abrasivea. 磨 料 的 , 研 ...
模具名词中英文对照表 序号 中文名 英文名 1 一、水口gate 2 进水位gate location 3 水口形式gate type 4 大水口edge gate ...

