电脑桌面
添加小米粒文库到电脑桌面
安装后可以在桌面快捷访问

模具来料检验项目及标准

模具来料检验项目及标准_第1页
1/10
模具来料检验项目及标准_第2页
2/10
模具来料检验项目及标准_第3页
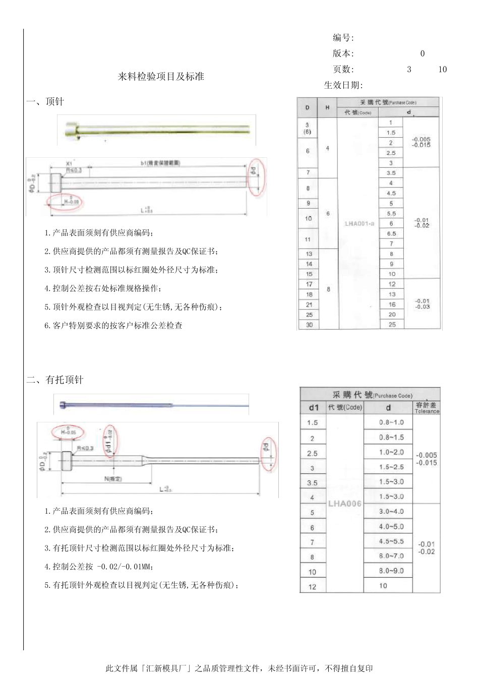
3/10
序号检验项目名称 检验内容 检验方式检验工具判定方式检验依据图片说明1标准模胚/免检/1、供应商提供质量保证书;外观(生锈,碰伤等缺陷)抽检目视尺寸抽检卡尺/深度尺外观(生锈,碰伤等缺陷)目视硬度硬度仪器外观(生锈,碰伤等缺陷)目视尺寸千分尺/卡尺外观(生锈,碰伤等缺陷)目视尺寸千分尺/卡尺硬度硬度仪器外观(生锈,碰伤)目视尺寸千分尺/卡尺/高度规外观(生锈,碰伤等缺陷)目视尺寸千分尺/卡尺外观(生锈,碰伤等缺陷)目视装配(是否顺畅)手感尺寸千分尺/卡尺外观(生锈,碰伤)目视尺寸千分尺/卡尺外观(生锈,碰伤)目视尺寸千分尺/卡尺外观(生锈,碰伤)目视尺寸千分尺/卡尺外观(破伤)目视尺寸卡尺13隔热板/免检//14限位开关/免检//15开模器/免检//抽检8司筒抽检10119导柱抽检1、抽样标准按公司内部制订《抽样计划表 》 标准;2、检测标准按照公司内部指定标准及客户标准1、抽样标准按公司内部制订《抽样计划表 》 标准;2、检测标准按照公司内部指定标准及客户标准1、抽样标准按公司内部制订《抽样计划表 》 标准;2、检测标准按照公司内部指定标准及客户标准1、“合格”判定允收;2、“不合格”判定不允收;3、“MI”判定允收;4、“CR”判定不允收;抽检1、抽样标准按公司内部制订《抽样计划表 》 标准;2、检测标准按照公司内部指定标准及客户标准唧咀2抽检抽检抽检生效日期:1 OF 10页数:3锣磨正内模料非标模胚1、抽样标准按公司内部制订《抽样计划表 》2、检测标准按照公司内部指定标准及客户标准编号:版本:0来料检验项目及标准边锁1、抽样标准按公司内部制订《抽样计划表 》 标准;2、检测标准按照公司内部指定标准及客户标准1、抽样标准按公司内部制订《抽样计划表 》 标准;2、检测标准按照公司内部指定标准及客户标准1、抽样标准按公司内部制订《抽样计划表 》2、检测标准按照公司内部指定标准及客户标准3、供应商提供质量保证书;1、抽样标准按公司内部制订《抽样计划表 》2、检测标准按照公司内部指定标准及客户标准3、供应商提供质量保证书;1、抽样标准按公司内部制订《抽样计划表 》 标准;2、检测标准按照公司内部指定标准及客户标准抽检1、抽样标准按公司内部制订《抽样计划表 》 标准;2、检测标准按照公司内部指定标准及客户标准(现只要求检测HASCO,DME标准)4抽检抽检导套6斜导柱7扁顶5顶针12胶圈编订人:日期:审核人:日期:批准人:日期:此文件属「汇新模具厂」之品质管理性文件,未经书面许可,不得 擅 自 ...

1、当您付费下载文档后,您只拥有了使用权限,并不意味着购买了版权,文档只能用于自身使用,不得用于其他商业用途(如 [转卖]进行直接盈利或[编辑后售卖]进行间接盈利)。
2、本站所有内容均由合作方或网友上传,本站不对文档的完整性、权威性及其观点立场正确性做任何保证或承诺!文档内容仅供研究参考,付费前请自行鉴别。
3、如文档内容存在违规,或者侵犯商业秘密、侵犯著作权等,请点击“违规举报”。

碎片内容

模具来料检验项目及标准

您可能关注的文档

确认删除?
VIP
微信客服
  • 扫码咨询
会员Q群
  • 会员专属群点击这里加入QQ群
客服邮箱
回到顶部