中国轴承制造行业运行状况及进展前景分析报告 2024-2024 年 编制单位:北京智博睿投资咨询有限公司内容简介: 第 1 章:中国轴承制造...
FAG 角接触球轴承的清洗、安装与拆卸FAG 轴承FAG 轴承是技术 FAG 主轴轴承:主轴轴承是由实心圈、外圈、球、以与带有实心窗口保持架的...
第 1 页 共 11 页衡南轴承有限责任公司成本管理调查报告摘要:随着世界经济的飞速发展,我国自改革开放以来,中小企业在我国的数量如...
目 录一、引言.......................................................1二、方案介绍...................................................
关于华泰轴承制造有限公司成本控制的调查报告XXX调查过程(一)调查目的和意义企业成本对企业效益的提高有重要的作用。随着市场竞争的日渐...
本科论文目 录摘 要.................................................................................................................
摘 要目前正处于煤矿智能化建设的关键阶段,而通风机作为煤矿的“矿井之肺”,负责将井下对矿工有害的气体排出并带来新鲜的空气。如果发生...
目 录摘 要.........................................................1Abstract.......................................................
摘 要轴承钢是现代工业中一种非常重要的机械设备零件的制造材料,其中GCr15 轴承钢应用范围最广。随着人们对轴承长寿命化需求的提高,轴...
第 1 页 共 11 页慈溪市衡南轴承有限责任公司成本管理优化方案摘要:随着世界经济的飞速发展,我国自改革开放以来,中小企业在我国的...
电机轴承更换操作流程一、检查确定电机轴承需更换的原因:1)轴承过热; 2)电机振动过大;3)轴承异响。二、备材料及工用具1、备材料:已安...
本 科 课 程 设 计 说 明 书生产计划与控制设计教 学 院: 机电工程学院系 别:工业工程系学 生 学号:11440308学 生 姓名...
项目计划书 一、项目概况: 轴承是机械设备的基础件,核心件。只要有转动的地方就有轴承,市场前景非常宽阔。本公司主导产品为低噪音高精...
轴承型号、代号知识汇总目 录1 轴承的基本知识........................................................................................
圆锥滚子轴承型号7200E主要尺寸型号7300E主要尺寸型号7100E主要尺寸型号7500E主要尺寸型号7600E主要尺寸型号27300E大锥角主要尺寸内外厚内...
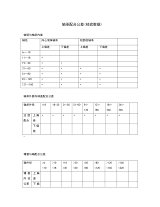
轴承配合公差(经验数据)轴颈与轴承内套轴径向心滚珠轴承短园柱轴承上偏差下偏差上偏差下偏差6---1011--18+19--30++31--50++++51--80++++81-...
毕业设计论文 轴承座零件加工工艺编制及夹具设计全篇 欢迎沟通摘 要工艺规程编制是现代制造过程中一项主要的技术活动,也是机械设计制造...
机械制造工艺课程设计设计题目:轴承座的制造工艺规程设计 班 级: 学 号: 姓 名: 指导老师: 日 期: 2024-4-14 至 2024-4-...
机械加工工艺过程卡片产品型号CA6140产品型号共 1 页产品名称机床零件名称轴承座第 1 页材料牌号HT200铸铁毛坯种类铸件毛坯尺寸82x38x8...
杭州万向职业技术学院毕业设计说明书 题 目:轴承外圈的加工工艺设计及其改进系 别: 应用工程系专 业: 机电一体化技术 班 级: ...

