沈阳铁路局企业标准 Q/SYT Q/SYT351—2006 平面无线灯显调车作业标准 2006-07-31 发布 2006-08-15 实施 沈阳铁路局发布 Q/SYT351...
局域网中如何再用无线路由共享上网的设置 2010 年 02 月 11 日 星期四 13:09 大家都知道单位是用光纤上网,并且用有线路由或者集...
小米1S改装点金石无线充电[预览版]
佛山市顺德区硕科电子有限公司 1 | Rev1.0 SK212 自 学 习 型 无 线 解 码 芯 片 SK212 主 要 特 性 : ☆兼容市面大...
奈特科技有限公司1 |Rev1.1LT212自学习型无线解码芯片LT212主要特性:☆兼容市面大多数固定码编码芯片:如PT2262、PT2242、EV1527 等☆集...
学习型PT2262 无线遥控开关程序 STC 系列89C58RD 晶振11.0952MHZ ~ 12MHZ 发射芯片采用的是PT2262 芯片用4.7M 的震荡电阻315M 发...
下载后可任意编辑陕西联通无线增值业务合作管理制度12024 年 4 月 19 日下载后可任意编辑陕西联通无线增值业务合作管理办法第一章 总...
铁路系统沿线巡检音视频采集传输技术方案安徽创世科技股份有限公司二零一七年目 录1行业介绍..............................................
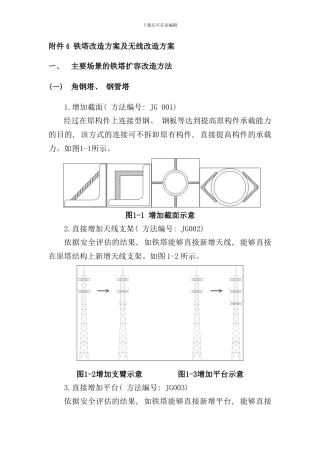
下载后可任意编辑附件 4 铁塔改造方案及无线改造方案一、主要场景的铁塔扩容改造方法(一)角钢塔、 钢管塔1.增加截面( 方法编号: JG 0...
下载后可任意编辑酒店无线局域网系统技术方案12024 年 4 月 19 日下载后可任意编辑XX 酒店 Aruba 无线局域网解决方案I2024 年 4...
下载后可任意编辑郑州师范学院无线校园网解决方案华三通信技术有限公司 01 月下载后可任意编辑目 录1概述................................
下载后可任意编辑无线基站设备安装施工验收法律规范(版本: V1.0) 江西移动通信有限责任公司二零零七年九月下载后可任意编辑目 录第 一...
下载后可任意编辑物联网基于无线传感器网络的精准农业环境监测系统设计1齐 齐 哈 尔 大 学毕 业 设 计 ( 论 文 ) 题 目 基...
下载后可任意编辑烟草进修学院无线校园网解决方案培训资料12024 年 4 月 19 日下载后可任意编辑烟草进修学院无线校园网解决方案华三通...
下载后可任意编辑深圳无线城市进展策略讨论报告12024 年 4 月 19 日下载后可任意编辑深圳无线城市进展策略讨论报告广东电信深圳分公司...
下载后可任意编辑溉舅癣膝无柔挪柱惊椽宿遍该玫上鳃柏滁逞蓝拴刀领哑邯挞剑浦抠何淖拦鞭塌楚茵唆镭捻狡农衷县升毖俏葫酞唆逢呆脊柜绞塞仓厚...
下载后可任意编辑智能电梯 CDMA & GSM 对讲系统 FYMQ-GSMWX-4使 用 说 明 书 ( 安装和使用前必须详细阅读此书) 下载后可任意编...
下载后可任意编辑下载后可任意编辑内容摘要校园网已经成为校园生活的重要组成部分, 成为老师和学生猎取资源和信息的主要途径之一。当前多...
下载后可任意编辑智中电解铝无线移动式高温监测系统解决方案12024 年 4 月 19 日南京智中信息技术有限公司(简称“智中科技”),是叶...
下载后可任意编辑无线购物产品总监专业简历基本信息• 姓名:张三• 毕业院校:清华大学• 主修专业:计算机科学与技术• 工作时间:10...

