电脑桌面
添加小米粒文库到电脑桌面
安装后可以在桌面快捷访问

学习型无线解码芯片LT212Rev1.1

学习型无线解码芯片LT212Rev1.1_第1页
1/7
学习型无线解码芯片LT212Rev1.1_第2页
2/7
学习型无线解码芯片LT212Rev1.1_第3页
3/7
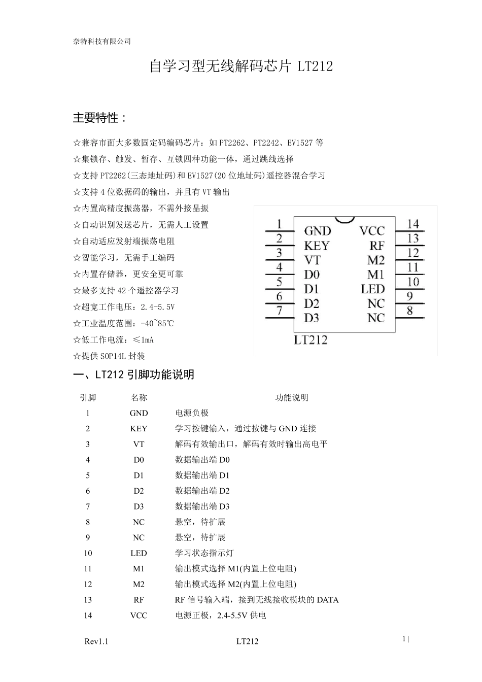
奈特科技有限公司1 |Rev1.1LT212自学习型无线解码芯片LT212主要特性:☆兼容市面大多数固定码编码芯片:如PT2262、PT2242、EV1527 等☆集锁存、触发、暂存、互锁四种功能一体,通过跳线选择☆支持PT2262(三态地址码)和EV1527(20 位地址码)遥控器混合学习☆支持4 位数据码的输出,并且有VT 输出☆内置高精度振荡器,不需外接晶振☆自动识别发送芯片,无需人工设置☆自动适应发射端振荡电阻☆智能学习,无需手工编码☆内置存储器,更安全更可靠☆最多支持42 个遥控器学习☆超宽工作电压:2.4-5.5V☆工业温度范围:-40~85℃☆低工作电流:≤1mA☆提供 SOP14L 封装一、LT212 引脚功能说明引脚名称功能说明1GND电源负极2KEY学习按键输入,通过按键与 GND 连接3VT解码有效输出口,解码有效时输出高电平4D0数据输出端D05D1数据输出端D16D2数据输出端D27D3数据输出端D38NC悬空,待扩展9NC悬空,待扩展10LED学习状态指示灯11M1输出模式选择M1(内置上位电阻)12M2输出模式选择M2(内置上位电阻)13RFRF 信号输入端,接到无线接收模块的DATA14VCC电源正极,2.4-5.5V 供电奈特科技有限公司2 |Rev1.1LT212二、应用电路输出模式说明:模式M 1M 2说明锁存HH对应的输出端输出高电平并一直保持,支持 15 种输出状态通过判断 VT 识别有效信号暂存HL对应的输出端输出高电平,在停止发射后恢复低电平,支持 15种输出状态触发LH每按一次发射按钮,对应的输出端输出状态翻转一次,只支持4 按键遥控器的单按键操作互锁LL对应的输出端输出高电平并一直保持,只支持 4 按键遥控器的单按键操作,D0-D3 输出只有一个高电平奈特科技有限公司3 |Rev1.1LT212三、操作说明1、学习 EV1527 编码遥控器:按下学习按键 1 次,学习状态灯常亮,进入学习遥控编码状态,此时按下遥控器上任意按键,学习状态灯快速闪 2 下,表示学习成功。对于已经学习过的遥控器,无法再次学习。注:EV1527 编码是指有20 位地址码的学习码,包括 EV1527、EV527、SC1527、HS1527、RT1527、PT2240 等芯片。2、学习 PT2262 编码遥控器:按下学习按键 1 次,学习状态灯常亮,进入学习遥控编码状态,此时按下遥控器上任意按键,学习状态灯快速闪 1 下,表示学习成功。对于已经学习过的遥控器,无法再次学习。注:PT2262 编码是指有8 位三态地址码的编码,包括 PT2262,PT2260,PT2264 等芯片。注:通过学习状态灯可知道学习的哪类芯片。注:直接退出学习模式表示该...

1、当您付费下载文档后,您只拥有了使用权限,并不意味着购买了版权,文档只能用于自身使用,不得用于其他商业用途(如 [转卖]进行直接盈利或[编辑后售卖]进行间接盈利)。
2、本站所有内容均由合作方或网友上传,本站不对文档的完整性、权威性及其观点立场正确性做任何保证或承诺!文档内容仅供研究参考,付费前请自行鉴别。
3、如文档内容存在违规,或者侵犯商业秘密、侵犯著作权等,请点击“违规举报”。

碎片内容

学习型无线解码芯片LT212Rev1.1

确认删除?
VIP
微信客服
  • 扫码咨询
会员Q群
  • 会员专属群点击这里加入QQ群
客服邮箱
回到顶部