第1页共39页编号:时间:2021年x月x日书山有路勤为径,学海无涯苦作舟页码:第1页共39页最全最新的财务工作流程目录一、出纳岗工作流程……...
图纸会审监理工作流程布置图纸会审工作〔总监理工程师〕整理列出问题〔各专业监理工程师〕问题汇总〔各专业组组长〕问题审核〔总监理工程师...
保安部主要流程(1).爆炸物品处理流程图接上级公安机关、派出所通知,出现可疑爆炸物本部巡查时发现可疑爆炸物租户/业主发现可疑爆炸物群众...
福建星光音乐文化投资管理有限公司门店工作流程2009年8月25日福建星光音乐文化投资管理有限公司文件星光欢乐迪音乐氧吧:企业核心理念:一...
宝洁分销售客户产品供应部财务部销售部管理系统部人力资源部总经理yes是否否CSR会计宝洁公司—中国/分销商核心工作流程流程:会计版本:1子...
第131页共40页编号:时间:2021年x月x日书山有路勤为径,学海无涯苦作舟页码:第131页共40页公益性岗位补贴与工作流程公益性岗位补贴项目名...
目录一、地基与基础工程1、专业工程特点2、监理工作流程3监理工作控制目标机控制要点4、监理工作方法及措施二、主体结构分部1、专业工程特...
第1页共8页编号:时间:2021年x月x日书山有路勤为径,学海无涯苦作舟页码:第1页共8页关于地面单位编制业务流程的通知各单位(部室):为推...
厦门某五星酒店财务工作流程一、厅面收银工作程序餐厅收银工作是记录餐饮营业收入的第一步,也是财务管理的重要环节之一。它要求每一名收银...
第1页共40页编号:时间:2021年x月x日书山有路勤为径,学海无涯苦作舟页码:第1页共40页目录一、出纳岗工作流程…………………………………...
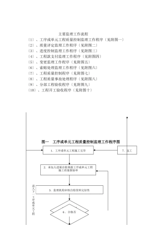
主要监理工作流程〔1〕、工序或单元工程质量控制监理工作程序〔见附图一〕〔2〕、质量评定监理工作程序〔见附图二〕〔3〕、进度控制监理工...
第1页共28页编号:时间:2021年x月x日书山有路勤为径,学海无涯苦作舟页码:第1页共28页财务部内部管理及工作流程规范一、组织架构图4二、...
公司工作流程1目录1.新品开发流程2.收、发文件流程3.培训流程4.岗前培训流程5.借支、报销、付款、汇款流程6.工程作业流程7.投产流程...
山西喜跃发路桥建设养护一分公司工作流程目录前言.............................................................52013年工作目标...........
宝洁分销售客户产品供应部财务部销售部管理系统部人力资源部总经理宝洁公司—中国/分销商核心工作流程流程:会计版本:1子流程:其它会计处...
第1页共80页编号:时间:2021年x月x日书山有路勤为径,学海无涯苦作舟页码:第1页共80页一、出纳岗工作流程中国会计社区是国内最知名、最火...
薇螇莆芀袅螆肅蒆螁袆膈艿蚇袅芀蒄薃袄羀芇蕿袃膂薂袈袂芄莅螄袁莆薁蚀袀肆莃薆袀膈蕿蒂罿芁莂螀羈羀薇蚆羇肃莀蚂羆芅蚅薈羅莇蒈袇羄肇芁螃...
附件供电所标准化作业工作流程供电所标准化作业流程包括安全管理、生产管理、营销管理、专业管理、优质服务、综合管理六个方面,共计46项工...
第1页共113页编号:时间:2021年x月x日书山有路勤为径,学海无涯苦作舟页码:第1页共113页XX健身俱乐部各岗位工作流程第一篇前台第一章XX健...
党务工作基本流程1、建立党支部流程2、贯彻上级党委指示流程3、党对工会的工作领导流程4、党对团青的工作领导流程5、支部党员大会流程6、支...

