河北定州市xx 化工有限责任公司年加工 6 万吨煤焦油项目可 行 性 研 究 报 告河北定州市xx 化工有限责任公司二 00 四年十一月...
引言 在开始讲课之前,先问大家一个问题,大家都知道糖精吗? 那么大家知道糖精从哪里来的吗? 糖精,其甜度为蔗糖之 300 ~ 5...
煤焦油精制新技术1 现代焦油蒸馏模式 现代焦油蒸馏的模式大致有以下类型:采用大型装置,如德国最大焦油蒸馏装置为 50 万 t/a;采用常...
前 言为了认真贯彻执行“安全第一、预防为主、综合治理”的安全生产方针,坚持“以人为本”的指导思想,确保(被评价单位名字)危险化学品...
目 录1 设计依据-------------------------------------------------------------------22 项目简介----------------------------------...
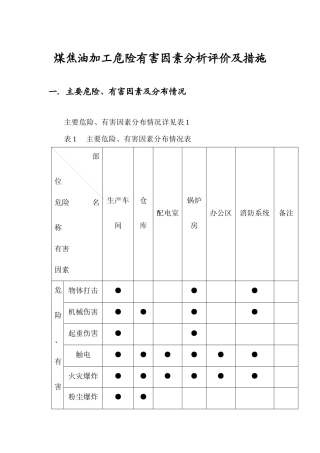
煤焦油加工危险有害因素分析评价及措施一.主要危险、有害因素及分布情况主要危险、有害因素分布情况详见表 1表 1 主要危险、有害因素分...
10 万吨/年煤焦油加氢装置简要说明1 煤焦油加氢生产技术概述煤焦油的组成特点是硫、氮、氧含量高,多环芳烃含量较高,碳氢比大,粘度和密...
河北定州市燕东化工有限责任公司年加工 6 万吨煤焦油项目可 行 性 研 究 报 告河北定州市燕东化工有限责任公司 第一章 总 论一....
化学品安全技术说明书产品名称:煤焦油按照 GB/T16483、GB/T17519 编制修订日期:2018 年 4 月 15 日 SDS 编号:MJH-03最初编制日...
煤焦油煤焦油是一个多种成分的芳香类化合物的混合物。因为含有各种苯酚成分,其药用效果主要来自轻度刺激。对皮肤有止痒、抗菌、角化分裂及...
1.低温煤焦油和高温煤焦油有何区别?按炼焦温度不同,煤焦油可分为低温焦油和高温焦油。低温焦油为褐黑,密度较小,其组成中烷烃、烯烃及芳...
煤焦油深加工详解课件目录CONTENTS•煤焦油概述•煤焦油蒸馏分离技术•煤焦油加氢技术•煤焦油催化裂解技术•煤焦油深加工环境保护与资源化...
表3-4煤焦油化特性表油中••号规危>:子分••号SACBO甲和1丙乙你氯乙十J溶••性解溶、油洗料资无••°C/|\点熔38•・水/|\度密对冃木:°...
化学品安全技术说明书产品名称:煤焦油修订日期:XXXX年X月XX日最初编制日期:XXXX年X月XX日按照GB/T16483、GB/T17519编制SDS编号:XXXXXXX...
河北定州市燕东化工有限责任公司年加工6万吨煤焦油项目可行性研究报告河北定州市燕东化工有限责任公司二00四年十一月年加工6万吨煤焦油项目...
煤焦油安全技术说明书教材
材料安全数据表1.化学品及企业信息化学品中文名称煤焦油编码俗名/商品名煤焦油、煤膏生效日期化学品英文名称coaltar企业名称企业应急电话地...
实用标准文案精彩文档第八章煤焦油的检验第一节焦化黏油类产品的取样方法一、定义①全层样在容器内从上至下采取液体整个深度获得的试样。②...
陕西东鑫垣化工有限责任公司庙沟门工业集中区煤化工项目50万吨/年煤焦油轻质化项目监理规划编制人:审批人:胜利油田新兴工程监理咨询有限...
我厂采用的洗油标准:GB/T24217-2009我厂采用的煤焦油YB/T5075—93指标名称指标1号2号密度ρ20g/cm31.15—1.21.13—1.22水分%不大于4.04.0...

