电脑桌面
添加小米粒文库到电脑桌面
安装后可以在桌面快捷访问

煤焦油加工危险有害因素分析VIP免费

煤焦油加工危险有害因素分析_第1页
1/91
煤焦油加工危险有害因素分析_第2页
2/91
煤焦油加工危险有害因素分析_第3页
3/91
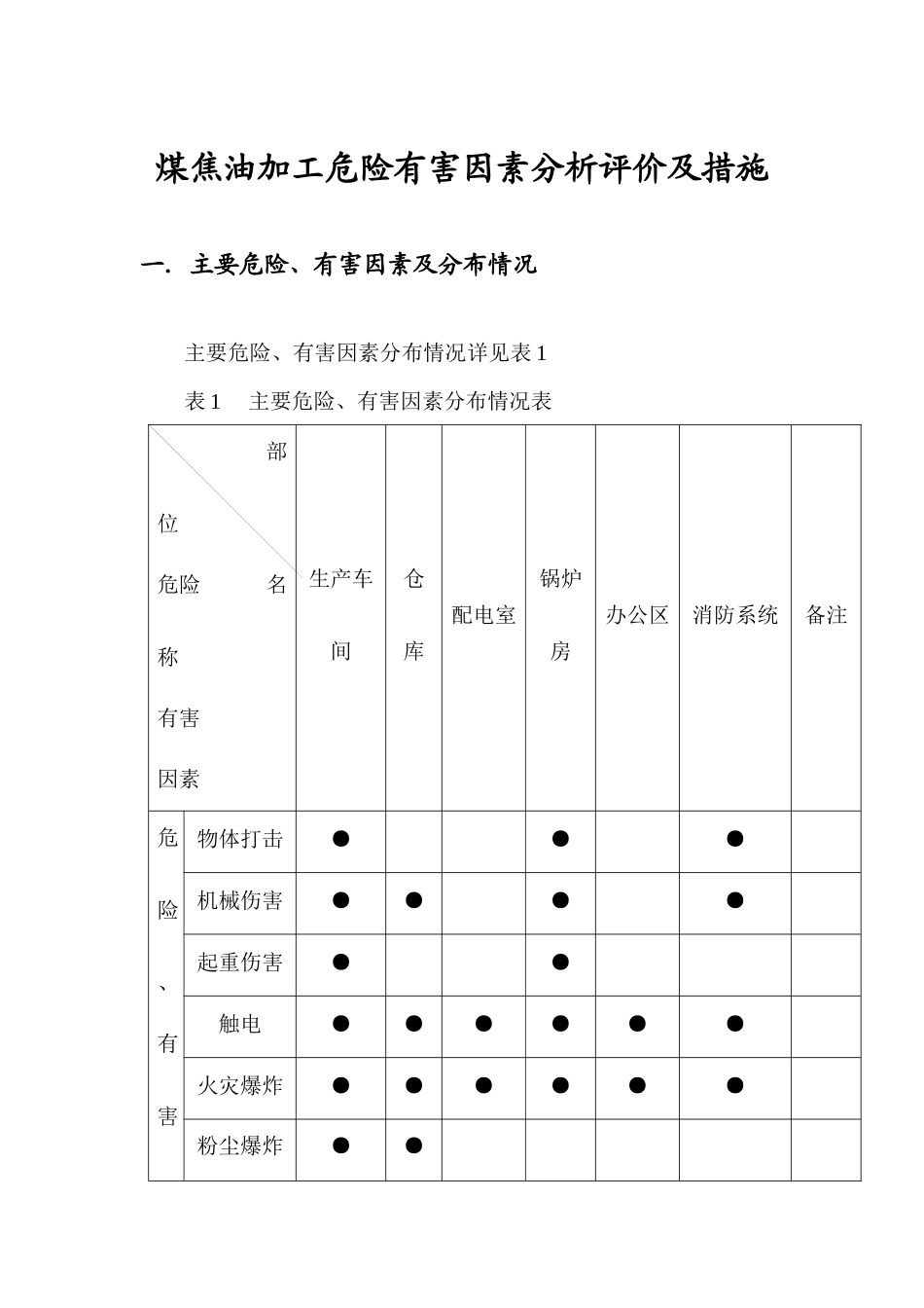
煤焦油加工危险有害因素分析评价及措施一.主要危险、有害因素及分布情况主要危险、有害因素分布情况详见表 1表 1 主要危险、有害因素分布情况表部位危险 名称有害因素生产车间仓库配电室锅炉房办公区消防系统备注危险、有害物体打击●●●机械伤害●●●●起重伤害●●触电●●●●●●火灾爆炸●●●●●●粉尘爆炸●●因素锅炉爆炸●容器爆炸●其他爆炸●●淹溺●●高处坠落●●●●●坍塌●●●●●●中毒和窒息●●车辆伤害●●●灼烫高温●●化学●低温其他伤害噪声●●辐射 注:●表示该部位存在的危险因素二.生产工艺及操作危险、有害因素分析(1)火灾、爆炸1)蒸馏过程中如使用明火加热设备,在生产过程中极易造成设备氧化腐蚀,减少设备的使用寿命,一旦发生泄漏会引发火灾事故。2)蒸馏过程中,工艺管道和设备容易被凝固点高的物质凝结堵塞,如果蒸馏设备没有安装压力表或安装的压力表失灵,没有对设备、管道中残存的凝结物及时清理,一旦发生堵塞,会造成设备超压,有发生爆炸的危险。3)管式加热炉应尽量采用焊接连接,若采用法兰连接,法兰连接处是泄漏的主要薄弱环节,密封不当会造成物料泄漏,有火灾和灼烫的危险。4)管式加热炉中设置的加热盘管,没有采取耐火隔温措施,或耐火隔温措施不完善,明火加热盘管,易造成盘管氧化损坏而引起物料泄漏到炉内,导致火灾事故的发生。5)管式加热炉使用的加热盘管材质不符合要求,在加热过程中极易发生管线破裂而而引起物料泄漏到炉内,导致火灾事故的发生。6)由于操作人员工作是失误,在没有打开加热炉盘管出口阀、管道没有安装压力表或压力表失灵情况下,开去油泵进料,会因系统超压导致管线破裂而引发火灾爆炸。7)加热盘管因维修质量差,如焊缝存有夹渣、气孔等及焊接后没有进行检验、试压,在使用过程有发生火灾爆炸的危险。8)生产装置区域、储罐区没有安装防雷接地设施或安装的防雷接地电阻没有进行检测,在发生雷击时不能及时将雷击电流导出,强大的雷击电流会导致火灾爆炸事故发生。9)生产装置区域、储罐区的设备及其工艺管道没有设置静电接地设施和法兰跨接、静电接地电阻没有进行检测、设置的法兰跨接检修后没有及时恢复,煤焦油、酚油、萘油等易燃物料在设备和管道中,流动产生的静电不能及时导出,静电聚积,当静电聚积到一定电压时就会放电,静电火花有可能引发系统发生火灾爆炸。10)电气设施不防爆,在设备运转时易产生电火花,会引起泄漏在空气中的易燃、可燃物...

1、当您付费下载文档后,您只拥有了使用权限,并不意味着购买了版权,文档只能用于自身使用,不得用于其他商业用途(如 [转卖]进行直接盈利或[编辑后售卖]进行间接盈利)。
2、本站所有内容均由合作方或网友上传,本站不对文档的完整性、权威性及其观点立场正确性做任何保证或承诺!文档内容仅供研究参考,付费前请自行鉴别。
3、如文档内容存在违规,或者侵犯商业秘密、侵犯著作权等,请点击“违规举报”。

碎片内容

煤焦油加工危险有害因素分析

确认删除?
VIP
微信客服
  • 扫码咨询
会员Q群
  • 会员专属群点击这里加入QQ群
客服邮箱
回到顶部