构建炼油化工设备管理新指标体系 摘 要 我国炼化行业设备管理指标体系一直采纳国内通用的设备管理指标体系。随着经济体制的转变,设备管...
澳大利亚医疗质量管理体系 曾广基 中山大学肿瘤防治中心广东广州510060 【摘要】澳大利亚联邦和州政府为使卫生系统达到所设定的质量管理...
澳大利亚农药管理和农药登记要求 [ 作者:peter。gu 转贴自:本站原创 点击数:4 更新时间:2024-4—18 文章录入:peter.gu ]澳大...
天津滨海快速交通进展有限公司品牌管理体系岗位说明书汇编北大纵横管理咨询公司2024 年 12 月目 录公关部岗位说明书.....................
日照原油商业储备基地工程质量管理体系北京东方新星石化工程股份有限公司第八项目部2024 年 6 月质量管理体系1 、质量规划质量是企业的...
XXXXXXXXXXXXXXXXXXXXXX 有限企业质 量 手 册版本号: SPM / I - -7 编写人 审核人: 同意人: 同意日期:发放号: 受控状态...
消防管理体系编制人:审核人:批准人: 项目部 2024 年 月 日第一章 总 则 。。。.。..。..。.。。.。.。..........。。.。.。。.....
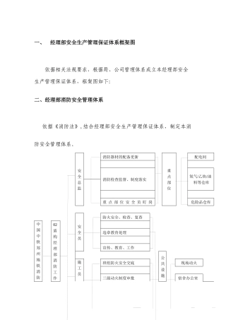
一、经理部安全生产管理保证体系框架图依据相关法规要求,根据局、公司管理体系成立本经理部安全生产管理保证体系,框架图如下:二、经理部...
一、经理部安全生产管理保证体系框架图依据相关法规要求,根据局、公司管理体系成立本经理部安全生产管理保证体系,框架图如下:二、经理部...
测量管理体系内部审核及检查表 受审核部门: 编号:测量管理体系审核规则要素检查方法检查情况记录备注(审核发现)计量法制要求1 计量单...
文件编号:XXXXXXXXXXXXXXXXXXXXX有限公司测 量 管 理 手 册(根据GB/T19022—2024 idt ISO10012:2024编制)版本:A/O编制 审核 批...
Q/KH$$$$$$$$$$$$$$$$企业标准Q/ KH G 07。00—2024测量管理体系手册依据 GB/T 19022-2024 /ISO 10012:2024《测量管理体系 ...
测量管理体系知识培训考试题(答案)单位名称 姓名 分数 一、推断题(在题后的括号内打“√”或“×”)每题 1.5 分,共 30 分)1 、...
测量设备计量确认和量值溯源控制程序编 制: 审 核: 批 准:日 期:2024—02—01文件状态: 发放号:未 经 批 准 不 准 翻 印...
河 北 省 地 矿 局 国 土 资 源 勘 查 中 心测绘质量管理体系文件测 绘 质 量 管 理 体 系 文 件 2010 年 1 月...
高速公路营运安全管理体系建设 当前,随着我国高速公路事业得到蓬勃进展,特别是高速公路网的形成,其安全管理的广度、深度、难度都在日渐...
浅谈项目管理体系建设2024-02-12 17:51:44 来源:《软件和信息服务》 作者:刘羚 评论:0 点击:1131 项目管理体系是项目管理功能的各...
浅谈第三方物流企业绩效管理体系的建设摘要 在现代企业人力资源管理系统中,绩效管理是其中难度最大,同时又最为重要的一个子系统。随着物...
word 完美格式项目管理知识体系(九大管理)INPUTTOOLOUTPUT1.1 制定项目章程1、合同(如果适用)1、项目选择方法1、项目章程2、项目工作...
浅谈如何加强应急管理体系建设加强应急管理体系建设,提高预防和处置突发事件的能力,是落实和实践科学进展观、构建和谐社会的重要内容。对...

