百度文库- 让每个人平等地提升自我1 《路基路面工程》课程设计沥青路面结构设计姓名班级土木 121 指导教师完成日期课设成绩□优秀□良...
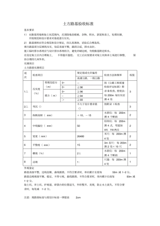
土方路基验收标准基本要求1) 在路基用地和取土坑范围内,应清除地表植被、杂物、积水、淤泥和表土,处理坑塘,并按规范和设计要求对基底...
百度文库- 让每个人平等地提升自我0 公路自然区划Ⅳ区一级公路路面结构设计The Design On The Road Surface Structure Of A Cla...
百度文库- 让每个人平等地提升自我1 题目东青高速公路路面结构设计系(部)土木工程专业土 木 工 程班级土木076 学生姓名学号6 月7...
《路基路面》试题〔A 卷〕一、单项选择题(15 题/15 分)1、重型击实试验与轻型击实试验的本质区别是 __ 。A、击实次数 B、击实锤重...
《路基路面试验检测》试题填空题1、建设项目工程质量等级分为()、()、和()三级。2、土方路基的实测项目有()、()、()、()和中...
路基路面要点路基路面要点1. 什么是路堤、上路床、下路床?什么是路斩?答:路堤是高于原地面的路基,上路床:路面底面以下0— 30cm路基...
路基路面桥梁施工组织设计1. 施工组织设计:(1)总体施工组织布置及规划(2)主要工程项目的施工方案、方法与技术措施(尤其对重点、关键...
公路路基、路面弯沉成果表路检表 05 合同段工程名称桩号或部位检查日期结构层名称设计弯沉值()与要求保证率有关的系数Zα温度修正系数...
路基路面工程课程设计任务书2014 年3 月 12 日至2014 年4 月20 日课程名称:路基路面工程实训专业班级:姓名:学号:指导教师:2014...
《路基路面工程》课程设计指导书东北大学资源与土木工程学院2009 年 05 月 20 日1 课程设计的思想、效果及课程目标路基路面的课程设...
路基路面施工质量控制摘要: 影响道路路基与路面施工质量的因素很多,除了要有严密的施工组织设计, 好的施工方案, 详细的科学管理办法...
1 总 则1.0.1 为适应我国城镇道路建设发展的需要,提高路面设计质量和技术水平,保证路面工程安全、可靠、耐久,做到技术先进,经济合理...
《路基路面工程》课程教学大纲一、课程基本信息课程名称:路基路面工程英文名称: roadbed and pavement project 课程类别:专业课先...
三、问答题1、半刚性基层材料的特点如何及其种类1〕具有一定的抗拉强度和较强的板体性2〕环境温度对半刚性材料强度的形成和发展有很大的影...
学习必备欢迎下载路基路面工程复习笔记第一章 总论考点 1.路基路面的基本性能要求(详见P.5)○1 承载能力,包括强度和刚度两个方面;○...
- 1 - 中南大学现代远程教育课程考试复习试题及参考答案路基路面工程一、名词解释1.路床2.面层3.路基干湿类型4.路基工作区5.最佳含水量6...
一、填空题。1. 表征土基强度的指标主要有: 弹性模量0E、突击反应模量0K、CBR值、抗剪强度指标P5 2. 地下水包括 上层滞水、浅水层、层...
路基路面工程考试试卷16 一、名词解释(每题6 分,共 30 分)1、当量轴次2、路基临界高度3、车辙4、翘曲应力5、压实度二、简答题(每题...
百度文库- 让每个人平等地提升自我1 《路基路面工程》课程设计说明书目录1 轴载计算 ..................................................

