电脑桌面
添加小米粒文库到电脑桌面
安装后可以在桌面快捷访问

路基路面课程设计一级公路路面结构设计

路基路面课程设计一级公路路面结构设计_第1页
1/23
路基路面课程设计一级公路路面结构设计_第2页
2/23
路基路面课程设计一级公路路面结构设计_第3页
3/23
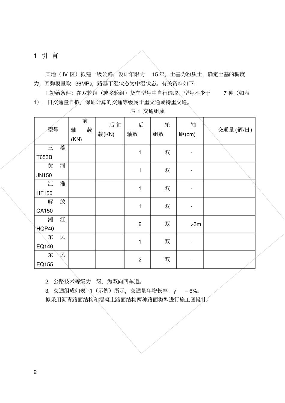
百度文库- 让每个人平等地提升自我0 公路自然区划Ⅳ区一级公路路面结构设计The Design On The Road Surface Structure Of A Class-A Highway In Ⅳ Rank Nature Division For Highway 作 者 姓 名:张孝龙专业、班级:道桥 0903 学号 :8指 导 教 师:魏海霞设 计 时 间:2012-6-10 河南理工大学Henan Polytechnic University 目录百度文库- 让每个人平等地提升自我1 1 引 言 ...................................................................................................................................... 22 新建沥青路面设计及计算.................................................................................................... 3基本资料 ............................................................................................................................ 32.1.1 自然地理条件 .................................................................................................. 32.1.2 土基回弹模量 .................................................................................................. 32.1.3 交通量及其年增长率和设计年限.................................................................. 32.1.4 设计轴载 .......................................................................................................... 3初拟路面结构 .................................................................................................................... 6路面材料配合比设计与设计参数的确定........................................................................ 62.3.1 试验材料的确定 .............................................................................................. 62.3.2 路面材料配合比设计 (略) ............................................................................... 62.3.3 路面材料抗压回弹模量的确定...................................................................... 62.3.4 路面材料劈裂强度测定.................................................................................. 7路面结构层厚度确定 ...................

1、当您付费下载文档后,您只拥有了使用权限,并不意味着购买了版权,文档只能用于自身使用,不得用于其他商业用途(如 [转卖]进行直接盈利或[编辑后售卖]进行间接盈利)。
2、本站所有内容均由合作方或网友上传,本站不对文档的完整性、权威性及其观点立场正确性做任何保证或承诺!文档内容仅供研究参考,付费前请自行鉴别。
3、如文档内容存在违规,或者侵犯商业秘密、侵犯著作权等,请点击“违规举报”。

碎片内容

路基路面课程设计一级公路路面结构设计

您可能关注的文档

确认删除?
VIP
微信客服
  • 扫码咨询
会员Q群
  • 会员专属群点击这里加入QQ群
客服邮箱
回到顶部