武警医院道路改造沥青砼工程施工方案贵阳市政建设有限责任公司2013年11月13日沥青混凝土路面施工方案本工程路面面层设计为:原路面铣刨除渣...
12%石灰土底基层施工的指导性意见旧铁A、B、C标项目经理部:为确保12%石灰土底基层的施工质量,并配合工期要求,现对本工程12%石灰土底基层...
新老路面的搭接处理1.1新旧路面高差H≤68cm(1)先清除旧路路肩、边坡草皮、树根、腐殖土等杂物及松散的路基填料。新旧道路衔接部位的路基...
第1页共13页惠南工业园区华丰与美雅,新环球、富利华与福林,万山红、博腾与凯悦企业间消防通道工程路面结构层专项方案福建宏联建设有限公...
SBS改性沥青路面施工工艺和质量控制XXX、XXX、XXX(XXXXXXXXXXXXXXX210000)[摘要]:SBS改性沥青现在已广泛应用于城市主干道路面,此沥青可...
公路水泥混凝土路面施工技术规范(JTGF30-2003)1总则1.0.1为适应公路建设和交通运输发展的需要,提高我国公路水泥混凝土路面(简称混凝土路面...
岗山社区(北区)地面维修工程施工措施计划施工日期:2013年12月9日至2013年12月29日为确保小区(北区)改造工程施工安全、有序、保质、保...
目录第一章工程概况第二章施工总体部署第三章主要工程项目施工方法第四章施工顺序第五章设备人员动员周期计划第六章确保工程质量、工期的措...
国道211高速公路路面中、上面层工程B5合同段路面病害处理施工方案批准审核编制中铁十四局集团有限公司国道211线高速公路工程B5合同段项目部...
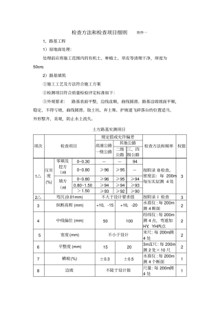
土方路基实测项目检查方法和检查项目细则附件一1、路基工程1)原地面处理:处理前应将施工范围内的有机土、种植土、草皮等清理干净,厚度为...
第六章路面设计6.1沥青路面结构设计6.1.1设计资料1、地形、地貌拟建公路位于盆地,公路沿线地形总体比较平缓,属于平原微丘区,地势由东南...
记录表02施工安全技术交底记录表承包单位:合同段:NoX监理单位:编号:工程名称级配碎石垫层桩号及部位K36+000-K36+200右幅施工安全技术交...
-1-亲爱的朋友,很高兴能在此相遇!欢迎您阅读文档路面硬化工程合同范本,这篇文档是由我们精心收集整理的新文档。相信您通过阅读这篇文...
实用标准精彩文档路面垫层施工方案一、分项工程概况本工程为共和至玉树(结古)公路A1合同段,技术指标为高速连接线,全长71.281326km,施...
施工技术方案申报表(承包[]技案号)合同名称:武汉新港白浒山港区花山码头一期工程跨堤连接道路工程合同编号:致:(监理机构)我方今提交...
路面垫层施工方案一、分项工程概况本工程为共和至玉树(结古)公路A1合同段,技术指标为高速连接线,全长71.281326km,施工时间为:2012年0...
xx长江第四大桥路面J6标总监办路面标安全监理细则xx交通建设项目管理有限责任公司1路面施工安全监理细则一、工程概况xx省xx长江第四大桥主...
物流规划课程设计实习报告院:机械工程学院专业:工业工程班级:0702学号:23学生姓名:指导教师姓名:实习日期:2009年12月13日至20010年1...
一、工程概况1、工程概述广西柳州至南宁高速公路改扩建工程NO.5标段设计范围K1401+336~K1436+800,起于王灵,经陈圆、义合,跨六乜水库,经...
沥青路面的损坏类型和轻重程度鉴别标准损坏类型描述轻重程度分级计量方法横向裂缝与道路中线近于垂直,由①施工接缝,②低温缩裂,③基层接...

