路基路面施工质量控制摘要:影响道路路基与路面施工质量的因素很多,除了要有严密的施工组织设计,好的施工方案,详细的科学管理办法和内部...
土木工程专业2006年级《路基路面工程A》课程试卷参考答案试卷A(A/B/C)考试方式:闭卷(闭卷/开卷)考试时间(120分钟)题号一二三四五六...
《路基路面工程》期末考试复习二十套试卷路基路面工程试卷及答案一一、选择题(单选与多选题,每题1分,共15分)1.路基典型横断面形式有(...
第1页共17页土木工程专业2006年级《路基路面工程A》课程试卷参考答案试卷A(A/B/C)考试方式:闭卷(闭卷/开卷)考试时间(120分钟)题号一...
实用标准文案大全《路基路面工程》课程设计专业:道路工程班级:2014级5班学生姓名:周治勇学号:p141914394指导教师:王睿老师实用标准文...
长沙理工大学:路基路面工程试卷1及答案⋯⋯⋯⋯⋯⋯⋯⋯⋯⋯⋯⋯⋯⋯⋯⋯⋯⋯⋯⋯⋯⋯⋯⋯⋯⋯⋯⋯⋯⋯⋯⋯⋯⋯⋯⋯⋯⋯⋯⋯一、填空题(...
1长沙理工大学考试试卷试卷编号01拟题教研室(或教师)签名道路一室教研室主任签名应荣华⋯⋯⋯⋯⋯⋯⋯⋯⋯⋯⋯⋯⋯⋯⋯⋯⋯⋯⋯⋯⋯⋯⋯...
1.路基、路面的基本概念:路基:是在天然地表面按照道路的设计线形(位置)和设计横断面(几何尺寸)的要求开挖或堆填而成的岩土结构物。路...
武汉大学《路基路面工程》模拟试题2学号_______________,姓名_______________,学院_______________一、单项选择题(共20题,每题1分,共2...
挡土墙设计一、路线范围本设计为K6+510~K6+660路段的挡土墙设计。二、水文地质资料本路段为山岭重丘区二级公路,路基宽12米,中桩在原有旧...
1路基路面工程学位复习题一、单项选择题。1、如果基层局部强度不足,或沥青路面面层的网裂、龟裂未及时养护等,在汽车荷载作用下,路面将很...
路基路面工程试题库一、填空题1路基除了要求断面尺寸符合设计要求外,应具有足够的强度、整体__、稳定性和水温稳定性。2、公路是一种线型工...
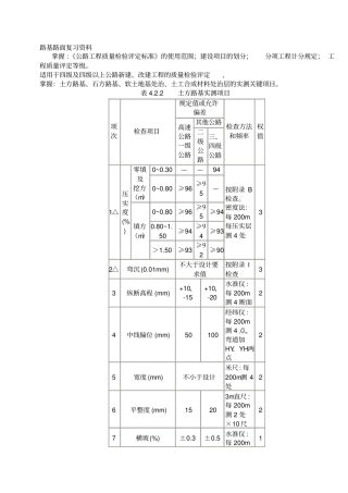
路基路面复习资料掌握:《公路工程质量检验评定标准》的使用范围;建设项目的划分;分项工程计分规定;工程质量评定等级。适用于四级及四级...
路基路面工程作业3班级土木103学生姓名学号时间题目一、思考题1.分析各类挡土墙的结构特点及其使用场合。2.重力式挡土墙由哪几部分组成?...
1路基路面工程复习资料一、填空题1、对路基工程的基本要求有_________、_________、_________。2、对路面工程的基本要求有_________、_____...
第三篇路基路面一、设计依据1、《市政公用工程设计文件编制深度规定》中华人民共和国建设部2004.32、《城镇道路工程施工与质量验收规范》CJ...
五、施工组织设计一、总体施工组织布置及规划(一)编制说明1、编制依据(1)本工程施工招标文件及本合同段的《图纸资料》。(2)中华人民共和...
沥青路面铣刨重铺施工方案一、工程概述本工程位于百罗路路段内,工程实施范围为对质量评定PCIW78的路段右车道进行路面铣刨重铺施工。二、施...
1/7透水混凝土路面工程施工合同合同编号工程名称:工程地点:甲方:乙方:签订地点:签订时间:年月日透水混凝土路面工程施工合同甲方:乙...
施工技术交底记录年月日工程名称德州经济技术开发区雨污分流、水系提升及中水利用PPP项目分部工程分项工程路面破除及恢复技术交底:一、路...

