常用的网络设备有网卡、交换机、集线器、路由器、Modem、防火墙、UPS、测试设备、网络机柜、VPN设备、打印服务器、光纤设备等等 一般来说...
精品文档---下载后可任意编辑Linux 下基于 PCI 总线的网络设备驱动程序的讨论与开发中期报告中期报告:本讨论主要围绕基于 PCI 总线的...
精品文档---下载后可任意编辑IP 网络测量仪中网络设备性能和安全测试的讨论和实现的开题报告1. 讨论背景和意义随着互联网的快速进展和普...
医 院 信息网络设备选型 核 心 层 承 担 着 网 络 枢 纽 的 重 任 , 因 此 核 心 层 的 设 计 非 常 重 要 ...
中国电信支持VoLTE的IMS网络设备技术要求
XX 信息中心 网络设备巡检服务工作规范 (H3C 设备网络) V1.0 信息中心 2011 年 8 月 目录 1 概述 ..........................
- -- X X X X X X X X 网络巡检报告 巡检人员 巡检日期 - -- 网络巡检项目 一、 网络拓扑、拓扑分析、拓扑建议 二、 网...
下载后可任意编辑Telnet 在网络设备监测中的应用[摘 要]:网络系统在企业生产运行中扮演着重要角色,网络设备是整个网络系统的关键组成,...
Cisco网络设备加固规范 Opsec.cn 2010 年 9 月 第2 页 共2 1 页 目录 1 账号管理、认证授权 .................................
网络综合实验参考手册 1、 路由配置 2、 VLAN 划分与交换机配置 3、 WWW 配置 4、 DNS 配置 5、 FTP 配置 实验背景 某网络...
. 4.4.1. 售 后 服 务 方 案 描 述 及 相 关 承 诺 1. 总 述 1.1 项 目 名 称 X X X X X 网 络 设 备 项...
浅谈集线器、路由器、交换机、网关的作用与区别 1、集线器——集线器也叫 Hub,工作在物理层(最底层),没有相匹配的软件系统,是纯硬件...
网络设备配置实训报告 班 级: 网络3 3 1 3 0 1 班 组 别: 第七组 小组成员: 刘 闯 陈 泽 蔡 轩 毛晨飞 李慧敏 李...
一. 选择题(40 分) 1. 路由器是一种用于网络互连的计算机设备,但作为路由器,并不具备的是( B ) A. 路由功能 B. 多层交换...
《网络设备配置与管理》课程总体教学方案 审定时间: 课程名称:网络设备配置与管理 建议学时:6 4 课时,理实一体化课程 本课程与前...
局 域 网 好 比 一 栋 大 楼 , 每 个 人 ( 好 比 主 机 ) 有 自 己 的 房 间 ( 房 间 就 好 比 网 卡...
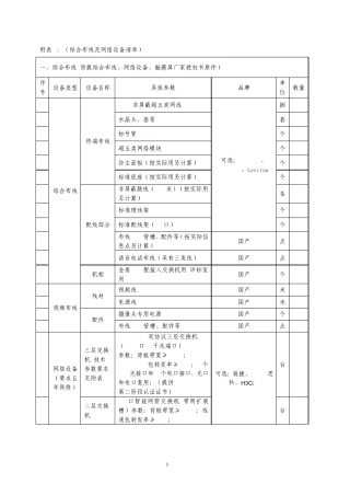
1 附表 1:(综合布线及网络设备清单) 一、综合布线(须提综合布线、网络设备、触摸屏厂家授权书原件) 序号 设备类型 设备名称 具...
1 实验一 交换机的配置与管理 一、实验目的 1.学习交换机的基本连接和配置方法,了解交换机在网络互连中的作用; 2.学习局域网互连、...
1 目 录 一、网络实现 ............................................................................................................
1 目 录 一、调研概况 .................................................... 2 二、常见网络设备 .................................

