江苏自考 机械设计与自动化专业 Q Q 群164746117 1.电器控制线路是由各种有触点的接触器、继电器、按钮、行程开关等电器元件组成的控...
电气传动英文词汇 induction machine 感应式电机 horseshoe magnet 马蹄形磁铁 magnetic field 磁场 eddy current 涡流 right...
《电气传动与可编程控制器(PLC)》应考指导 一、考试相关情况说明 (一)课程基本情况 1、概述 根据江西省自学考试委员会办公室《关于...
石家庄职业技术学院 《机械设计基础》课程说明书 设计题目 设计电动机卷扬机传动装置 班 级 机械设计及自动化 姓 名 学 号 指导...
电动卷扬机传动装置的设计 机械设计课程设计的计算及说明 备注 任务书 要求设计一个电动卷扬机传动装置。设计要求如下。 设计要求 一...
电动卷扬机传动装置 目 录 1、设计题目………………………………………………………………3 2、系统总体方案的确定………………………...
“电力拖动控制系统”习题解答 - i - 电力传动控制系统——运动控制系统 (习题解答) 第 1章 电力传动控制系统的基本结构与组成...
1 定轴轮系齿轮传动 有一对外啮合渐开线直齿圆柱体齿轮传动.已知20,4,25,5021mmmzz,两个齿轮的厚度都是50mm。 ⒈ 启动ADA...
课程名称:《液压传动和采掘机械》课程标准一、课程性质和任务《液压传动和采掘机械》课程是矿山机电专业一门的专业课程。本课程是矿山机电...
答案参见我的新浪博客:http://blog.sina.com.en/s/blog_3fb788630100muda.html液压传动与控制习题1 液压传动概述思考题与习题1-1 液压传...
液压与气压传动试题一、填空题(每空 2 分,共 40 分)1.液压传动中,压力决于___负载__________,速度决定于_____流量________。2....
《液压与气压传动》试题库一、填空题1.液压系统中的压力取决于( 负载 ),执行元件的运动速度取决于( 流量 ) 。2.液压传动装置由...
广东工业大学试卷用纸,共 2 页,第 2 页 一、判断题(每小题2 分,共2 0 分) 1.液压缸活塞运动速度只取决于输入流量的大小,与...
我国汽车橡胶制品现状及发展趋势 杨莉 汽车橡胶制品涉及到密封、传动、装饰、减振、行走等重要部件,是为汽车行业配套的重要部件,其产品...
一、名词解释:(√表示基础性概念,必须掌握。) 自由间隙√、自由行程√、分离间隙√、工作行程√、离合器后备系数√、同步器、等角速万...
绪 论 1 绪论 水 泥 回 转 窑 属 于 建 材 设 备 类 。 回 转 窑 按 处 理 物 料 不 同 可 分 为 水 泥 ...
第一章 气压传动概述 1.1 气压传动系统的工作原理及组成 一 、 气 压 传 动 系 统 的 工 作 原 理 气 压 传 动 系 ...
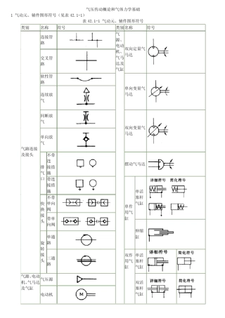
气压传动元件图形符号
BYDF6 乘用车结构图册 - 9 2 - 二、传动系统 Transmission BYDF6 乘用车结构图册 9 3 目 录 F5M41 手动变速箱 ·····...
机械设计课程设计计算说明书设计题目带式运输机传动装置系(院)班设计者指导老2011 年 12 月 7 日T—录一.............................

