级机电实用技术专业《电气传动技术及应用》课程设计任务书姓名 学号 上 海 电 视 大 学南 汇 分 校11 月一、课程设计概述电气传...
罗红 机械设计 1 §8-5 标准直齿圆柱齿轮传动的强度计算 一.齿轮传动承载能力计算依据 轮辐、轮缘、轮毂等设计时,由经验公式确定尺...
某四驱车传动系扭转振动试验分析
要求条件符号单位传动及负载重量mkg移动速度V0m/min初选带轮直径d0m转速n0rpmpiπ重力加速度gN/kg摩擦系数ɳ摩擦力fN传递功率Pkw载荷修正系...
1 内 燃 机 车 电 传 动 考 题 姓名: 成绩: 一、填空题 1 、内燃机车的电传动装置依牵引发电机和牵引电动机所采用的电流制...
1 机车交流传动技术 一、简要的历史回顾 人所共知,机车发展按其动力来分,最早出现的是蒸汽机车,以后由蒸汽机车发展到内燃机车和电力...
习题与思考题 第二章 机电传动系统的动力学基础 2.6为什么机电传动系统中低速轴的GD2逼高速轴的GD2大得多? 因为P=Tω ,T=G∂D2/375....
机电传动控制邓星钟第四版课后答案 第六章 6.1 有一台交流伺服电动机,若加上额定电压,电源频率为50Hz,极对数P=1,试问它的理想空在转...
习题与思考题 第二章 机电传动系统的动力学基础 2.1 说明机电传动系统运动方程中的拖动转矩,静态转矩和动态转矩。 拖动转矩是有电动...
习题与思考题 第二章 机电传动系统的动力学基础 2.1 说明机电传动系统运动方程中的拖动转矩,静态转矩和动态转矩。 拖动转矩是由电动...
习题与思考题 第二章 机电传动系统的动力学基础 2.1 说明机电传动系统运动方程中的拖动转矩,静态转矩和动态转矩。 拖动转矩是有电动...
《机电传动控制》课程总复习 2013.01 一 、选择题 1、电动机所产生的转矩在任何情况下,总是由轴上的负载转矩和_________之和所平衡。...
机电传动控制第五版课后答案最全版
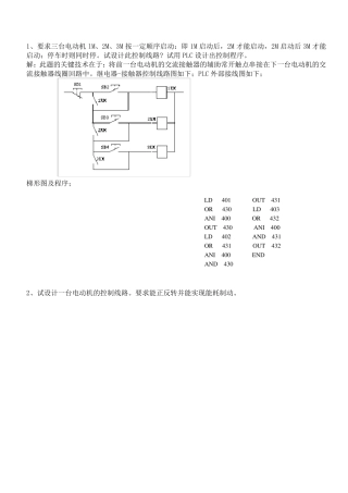
1、要求三台电动机 lM、2M、3M 按一定顺序启动:即 1M 启动后,2M 才能启动,2M 启动后 3M 才能启动;停车时则同时停。试设计此控...
习题与思考题 第二章 机电传动系统的动力学基础 2.1 说明机电传动系统运动方程中的拖动转矩,静态转矩和动态转矩。 拖动转矩是有电动...
《机电传动控制》 课 程 教 案 江苏科技大学机动学院 机电教研室 朱鹏程 2 0 0 8 年 7 月 《机电传动控制》课程教案 课程...
1 DDSZ-1 型电机及电气技术实验指导书 1 认识实验 一、实验目的 1、学习电机实验的基本要求与安全操作注意事项。 2、认识在直流电机...
机电传动控制期末试题 一:选择题: 1、电动机所产生的转矩在任何情况下,总是由轴上的负载转矩和_________之和所平衡。( ) A.静态转...
机电传动控制复习提纲: 1.从运动方程式怎样看出系统是处于加速,减速,稳态的和静态的工作状态。 答:TM-TL>0说明系统处于加速,TM-TL<...

