施工作业现场勘察的实务与应用 摘要:《国家电网公司电力安全工作规程(线路部分)》(以下简称安规) 中,针对“线路作业具有点多、面广、线...
1 中华人民共和国住房和城乡建设部 公 告 第 314 号 关于发布国家标准《岩土工程勘察规范》局部修订的公告 现批准《岩土工程勘察规...
岩土工程勘察报告 信息产业部电子综合勘察研究院 西安市友谊东路 218 号 1 1 前言 1.1 工程概况 受西安市赵村城中村建设发展有限...
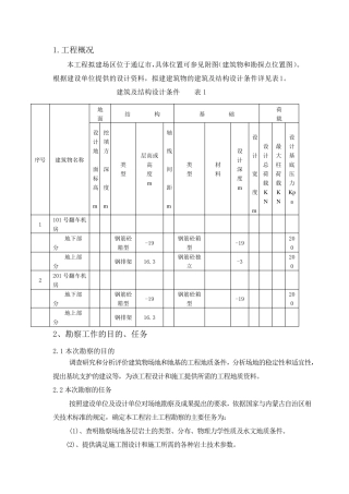
1.工程概况 本工程拟建场区位于通辽市,具体位置可参见附图(建筑物和勘探点位置图)。 根据建设单位提供的设计资料,拟建建筑物的建筑及...
基坑勘察报告 (一)、任务来源 我院对其拟建的×××饭店大楼建筑场地进行施工图设计阶段的岩土工程详细勘察,提交详细的地质勘察资料,...
目 录 1 前 言 ........................................................................................................ 1 1....
—1—下载后可任意编辑凉山州国家投资工程建设项目标准勘察、设计、监理招标文件(勘察、设计、监理 综合评估法 电子招标适用)(2024年...
边坡(滑坡)勘察要求一、勘察要求1. 工程概况XXXXXX。边坡勘察区域及勘察工作布置简图如图 KC-1。2. 场地工程地质条件(资料暂不齐全)...
1 临 洮 县 地 下管线普查项目 可行性报告 项目名称:临 洮 县 地 下管线普查 申报单位: 申报时间:二零零九年八月 2 第一...
岩土工程详细勘察方案湖北省工商行政管理局办公楼及业务用房建设工程岩土工程详勘方案二 O一二年三月二十七日目录第一章工程概况及说明第...
岩土工程勘察描述技术规程前言近年来, 随着国家及 岩土工程勘察 行业一系列 相关 规范的颁布, 对岩、 土的鉴定和编录提出了新的规...
岩土勘察报告内容岩土勘察主要包括勘察、设计、 施工、检验监测和监理等五个方面,涉及到土工工程建设过程中所有与岩体和土体有关的工程技...
勘察招标云天招曲字: 2014-25 招标文件招标人:(盖章)法定代表人:(签字或盖章)招标代理机构:(盖章)法定代表人:(签字或盖章)...
86 / 9 山西省行业优秀勘察设计奖优秀建筑结构项目申报表项目名称:申报单位:(公章)填报日期:年月日87 / 9 行业优秀勘察设计奖优...
资质申请工程现场勘察报告 工程勘察范围包括建设工程项目的岩土工程、水文地质勘察和工程测量。 (三)工程勘察资质分为三个类别 1、工...
第1章勘察工作概述1.1 工程概况1.1.1 场地位置XX尾矿坝位于山东省莱芜市张家洼镇御驾泉村村北,距离张家洼镇约4 公里,鲁中冶金矿业集团...
-1 -工程结算审计现场勘察要点一、土建工程地下室土建:1、勘查地下室重点部位(如地下室车库、风机房、水泵房、汽车坡道、人防部位、独立...
工程现场勘察报告 工程单位:兰州铁路分局信息技术中心 勘察单位:甘肃赛福特建筑装饰工程有限责任公司 参加人员:黄中生、李田、齐加玉...
《工程勘察设计收费标准》 (勘察部分) 2 0 0 0 2 版 1 国家计委、建设部关于发布 《工程勘察设计收费管理规定》的通知 二 00...
管道勘察报告集团文件版本号:(M928-T898-M248-WU2669-I2896-DQ586-M1988)雨污水管岩土工程勘察报告附表:1.土的物理力学性质试验成果表(...

